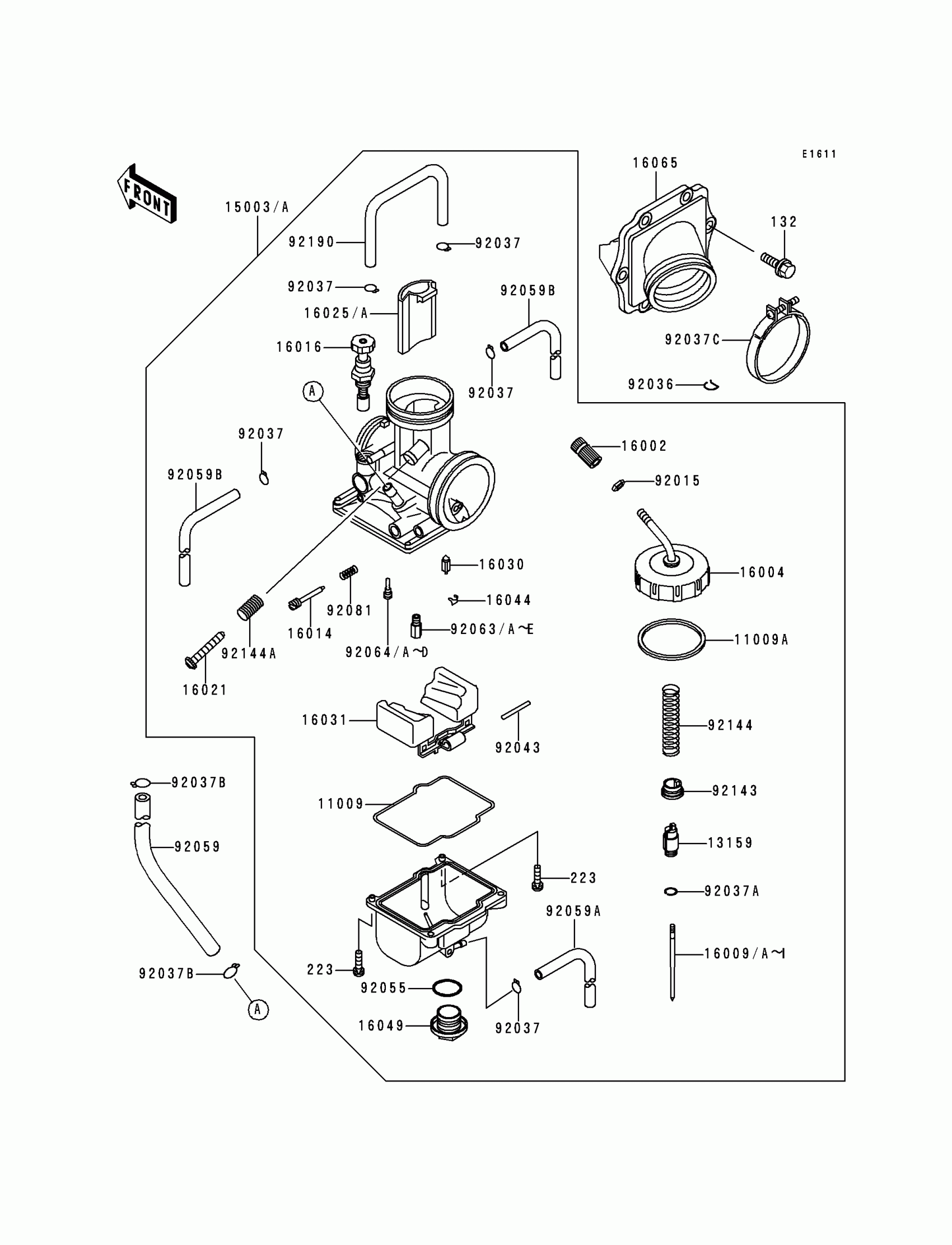
Kawasaki KX125 CARBURETOR Diagram
#
Description
Price
11009
GASKET,FLOAT CHAMBER
11009-1275
Unavailable
11009A
GASKET,MAIN JET COVER
16038-009
Unavailable
11012
CAP,FLOAT
11012-1047
Unavailable
13159
CONNECTOR,THROTTLE
13159-1010
Unavailable
13169
PLATE, LOCK
13169-1190
Unavailable
14025
COVER,THROTTLE VALVE
14025-1113
Unavailable
16002
ADJUSTER-CABLE
16002-1006
Unavailable
16004
CAP-CHAMBER,MIXING
16004-1013
Unavailable
16009A
NEEDLE-JET,5DH92
16009-1140
Unavailable
16016
PLUNGER,STARTER
16016-1026
Unavailable
16021
SCREW,THROT VLV ADJST
16021-1030
Unavailable
16030
VALVE-FLOAT,3.3
16030-1020
Unavailable
16049
COVER-MAIN JET
16049-006
Unavailable
16055
ARM-FLOAT
16055-009
Unavailable
16065A
HOLDER-CARBURETOR
16065-1052
Unavailable
16065B
HOLDER-CARBURETOR
16065-1068
Unavailable
92037B
CLAMP,CARBURETOR HOL
92037-1313
Unavailable
92059
TUBE,3.5X6.5X410
92059-1142
Unavailable
92059B
TUBE,4X7X400
92059-1292
Unavailable
92063E
MAIN JET,#155R
92063-1025
Unavailable
92063F
MAIN JET,#157.5R
92063-1026
Unavailable
92063G
JET-MAIN NO 147.5R
92063-119
Unavailable
92081
SPRING,THROTTLE VALVE
92081-1432
Unavailable
