Partiron

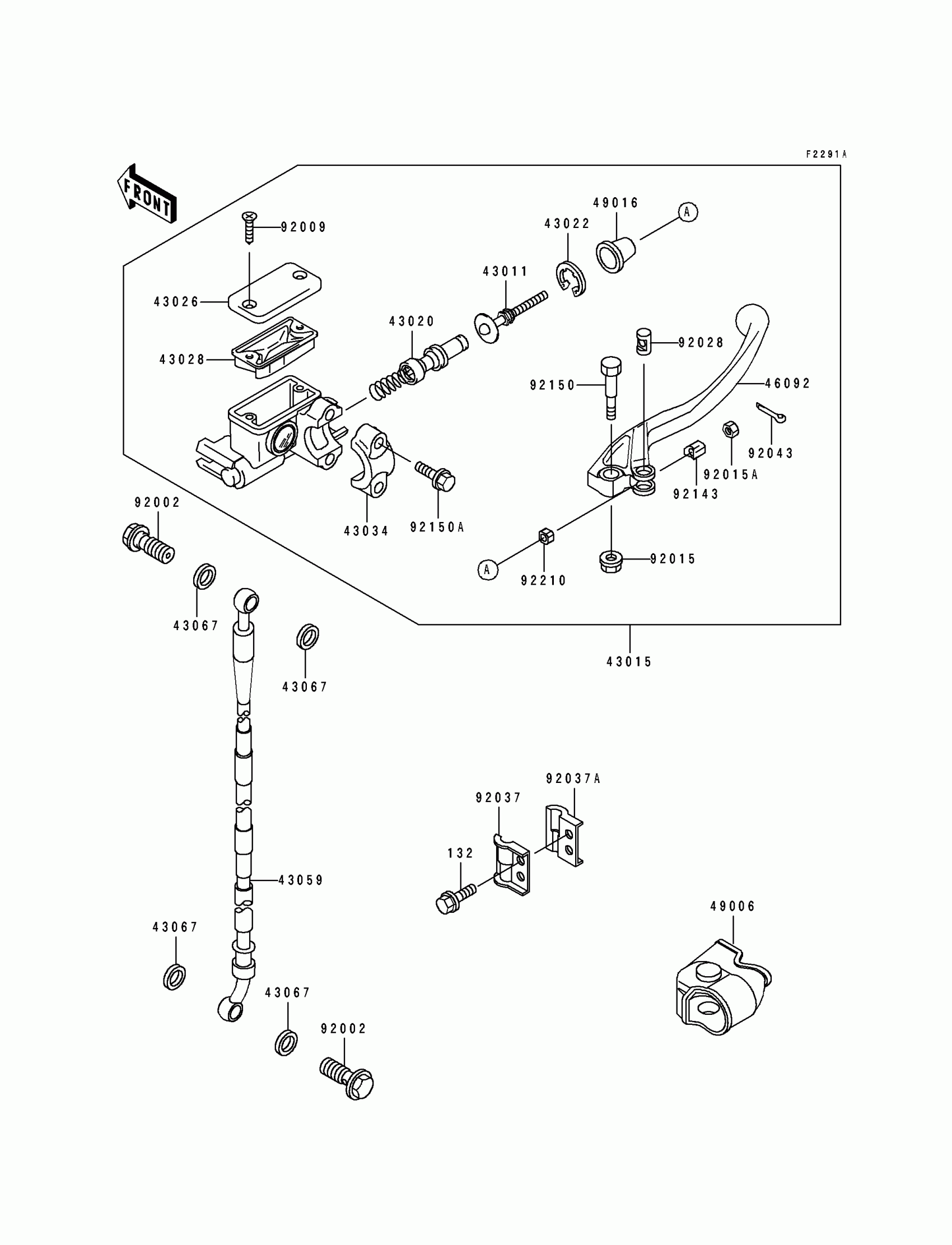
Kawasaki KX100 Front Master Cylinder(KX100-B7) Diagram

#

Description
Price

43011

ROD-BRAKE,FR MASTER CYLINDER

43011-1166

$22.10

43015

CYLINDER-ASSY-MASTER,FR

43015-1594

$309.82

43020

PISTON-COMP-BRAKE

43020-1115

$37.72

43022

STOPPER-BRAKE,PISTON

43022-1010

$4.65

43026

CAP-BRAKE

43026-1075

$13.61

43028

DIAPHRAGM

43028-1067

$18.72

43034

HOLDER-BRAKE

43034-1110

$19.45

43059

HOSE-BRAKE,FR

43059-1966

Unavailable

43067

WASHER,10.5X15X1.5

43067-001

$2.15

46092

LEVER-GRIP,FRONT BRAKE

46092-1191

$25.52

49006

BOOT,FRONT BRAKE LEVER

49006-1286

$14.63

49016

COVER-SEAL,MASTER CYLINDER

49016-1044

$8.68

92002

BOLT,OIL,L=23

92002-1888

$5.48

92009

SCREW,4MM

92009-1458

$3.21

92015

NUT,FLANGED,6MM

92015-1528

$5.52

92015A

NUT,ADJUST

92015-1642

$3.92

92028

BUSHING

92028-1792

$12.60

92037

CLAMP,BRAKE HOSE,OUTSIDE

92037-1362

$7.34

92037A

CLAMP,BRAKE HOSE,INSIDE

92037-1363

$7.34

92043

PIN

92043-1539

$2.93

92143

COLLAR

92143-1882

$9.18

92150

BOLT,LEVER SET

92150-1451

$14.23

92150A

BOLT

92150-1452

$5.52

92210

NUT,ADJUST

92210-1064

$4.99

132

BOLT-FLANGED-SMALL,6X16

132G0616

$1.47