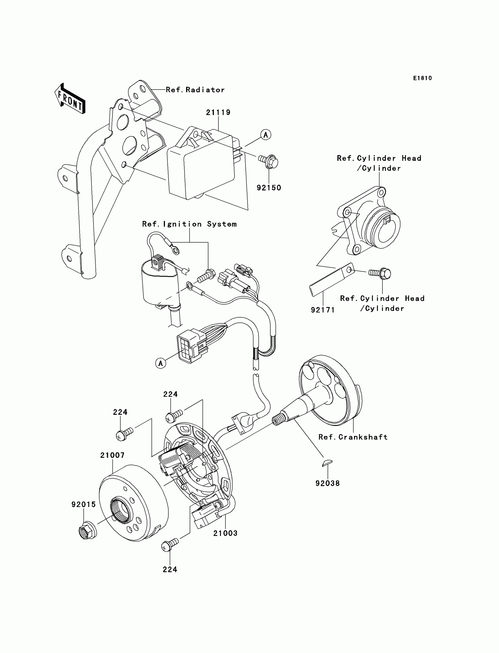
Partiron

Kawasaki KX™85 Generator Diagram

#

Description
Price

224

SCREW-PAN-WP-CROS,6X14

224AA0614

$5.51

21003

STATOR

21003-0104

$499.79

21007

ROTOR,I=4.0

21007-0073

$404.48

21119

IGNITER

21119-0048

$267.83

92015

NUT,FLANGED,10MM

92015-077

$4.69

92038

KEY,WOODRUFF

92038-001

$4.96

92150

BOLT,FLANGED,6X16

92150-1506

$5.00

92171

CLAMP,L=60

92171-0652

$2.61