Partiron

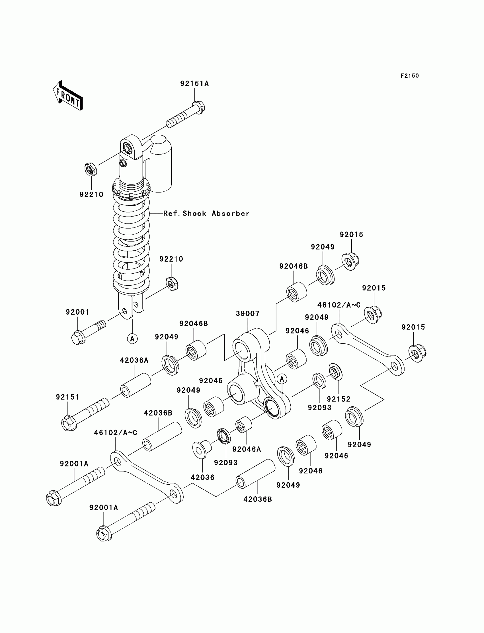
Kawasaki KX™65 Rear Suspension Diagram

#

Description
Price

39007

ARM-SUSP,UNI TRAK

39007-1299

$165.82

42036

SLEEVE

42036-1351

$11.28

42036A

SLEEVE,12X18X40

42036-1364

$9.19

42036B

SLEEVE,12X18X61

42036-1370

$18.37

46102

ROD,SUSPENSION,L=88.3

46102-1430

$45.01

46102A

ROD,SUSPENSION,L=87.3

46102-1431

$22.46

46102B

ROD,SUSPENSION,L=86.3

46102-1432

$42.86

46102C

ROD,SUSPENSION,L=85.3

46102-1433

$42.74

92001

BOLT,FLANGED,10X44

92001-1499

$5.52

92001A

BOLT,FLANGED,12X88

92001-1693

$15.60

92015

NUT,LOCK,FLANGED,12MM

92015-1433

$8.86

92046

BEARING-NEEDLE,18BM2416

92046-1144

$29.26

92046A

BEARING-NEEDLE,16BM2212

92046-1192

$18.21

92046B

BEARING-NEEDLE,HK1812

92046-1271

$14.68

92049

SEAL-OIL

92049-1328

$27.27

92093

SEAL

92093-1436

$7.26

92151

BOLT,FLANGED,12X67

92151-1766

$8.50

92151A

BOLT,FLANGED,10X54

92151-1785

$4.13

92152

COLLAR

92152-1139

$8.86

92210

NUT,LOCK,10MM

92210-1184

$6.11