Partiron

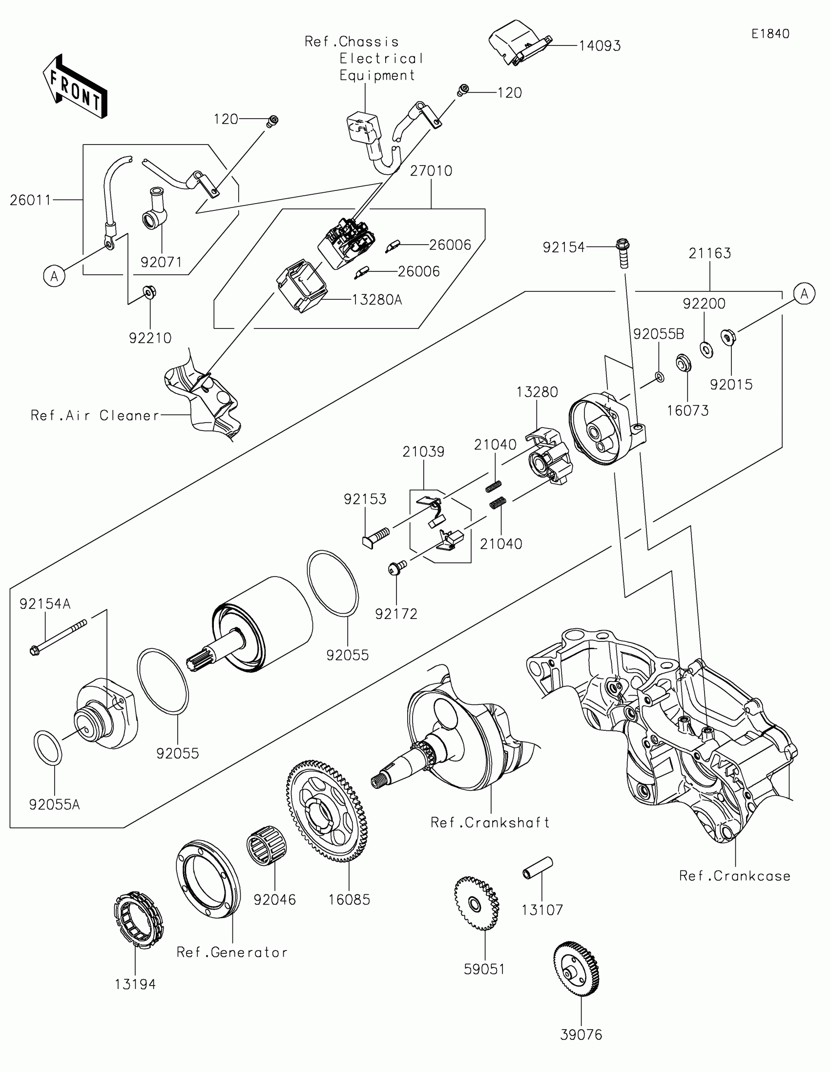
Kawasaki KX™450 Starter Motor Diagram

#

Description
Price

13107

SHAFT,IDLER

13107-0871

$8.98

13194

CLUTCH-ONEWAY

13194-1096

$106.12

13280

HOLDER

13280-0261

$16.72

13280A

HOLDER,MAGNETIC SWITCH

13280-0814

$11.88

14093

COVER,MAGNETIC SWITCH

14093-0716

$9.50

16073

INSULATOR

16073-0053

$11.93

16085

GEAR,60T

16085-0675

$158.59

21039

BRUSH,CARBON SET

21039-0005

$68.25

21040

SPRING-BRUSH

21040-0003

$9.79

21163

STARTER-ELECTRIC

21163-0771

$622.91

26006

FUSE,10A

26006-0033

$6.12

26011

WIRE-LEAD

26011-0998

$56.12

27010

SWITCH,MAGNETIC

27010-0879

$108.75

39076

LIMITER

39076-0037

$199.98

59051

GEAR-SPUR,IDLER

59051-0809

$112.64

92015

NUT,STARTER MOTOR

92015-1476

$4.31

92046

BEARING-NEEDLE,K22X28X17V1

92046-0026

$20.44

92055

RING-O

92055-0136

$7.75

92055A

RING-O

92055-1276

$9.91

92055B

RING-O,4.5X2.0

92055-1370

$4.69

92071

GROMMET

92071-0024

$10.21

92153

BOLT

92153-1866

$4.65

92154

BOLT,FLANGED,6X20

92154-2966

$0.64

92154A

BOLT

92154-3958

$6.38

92172

SCREW

92172-0334

$4.65

92200

WASHER

92200-0386

$4.65

92210

NUT,6MM

92210-0188

$2.15

120

BOLT-SOCKET,5X10

120CB0510

$1.64