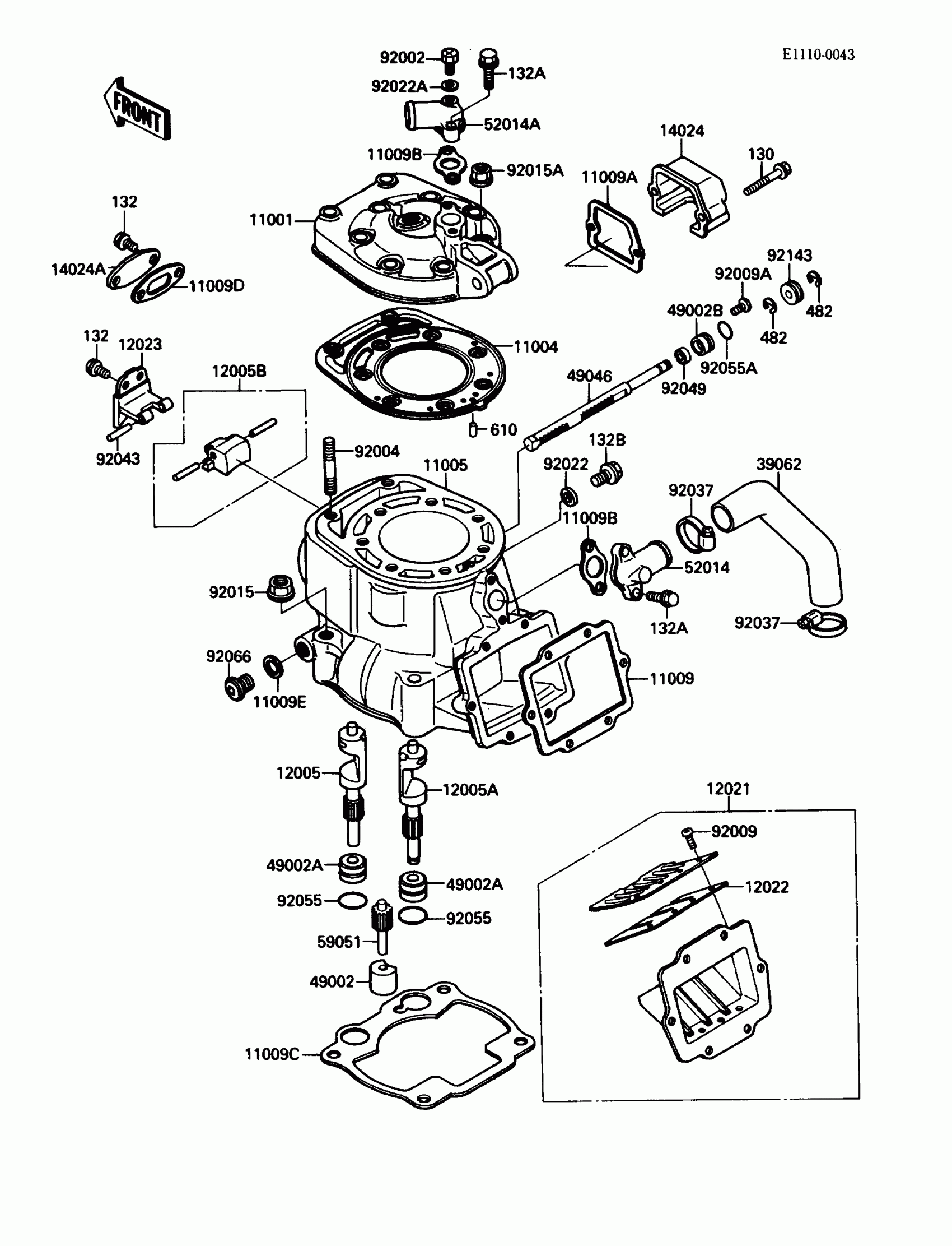
Kawasaki KX™250 Cylinder Head/Cylinder Diagram
#
Description
Price
11001
HEAD-CYLINDER
11001-1268
Unavailable
11004
GASKET-HEAD,T=0.26
11004-1174
Unavailable
11005
CYLINDER-ENGINE
11005-1542
Unavailable
11009
GASKET,REED VALVE
11009-1252
Unavailable
11009A
GASKET,GOVERNOR COVER
11009-1625
Unavailable
11009B
GASKET,ELBOW
11009-1696
Unavailable
11009C
GASKET,CYLINDER BASE
11009-1700
Unavailable
11009D
GASKET,VALVE COVER
11009-1701
Unavailable
12005
VALVE-EXHAUST,LH
12005-1099
Unavailable
12005A
VALVE-EXHAUST,RH
12005-1100
Unavailable
12005B
VALVE-EXHAUST,CENTER
12005-1116
Unavailable
12021
VALVE-ASSY-REED
12021-1077
Unavailable
12022
VALVE-REED
12022-1060
Unavailable
12023
HOLDER-VALVE
12023-1055
Unavailable
14024
COVER,GOVERNOR
14024-1585
Unavailable
39062
HOSE-COOLING
39062-1105
Unavailable
49002
GUIDE-VALVE,IDLE GEAR
49002-1084
Unavailable
49002A
GUIDE-VALVE
49002-1085
Unavailable
49046
ROD-GOVERNOR
49046-1063
Unavailable
132A
BOLT-FLANGED-SMALL
132G0625
Unavailable
