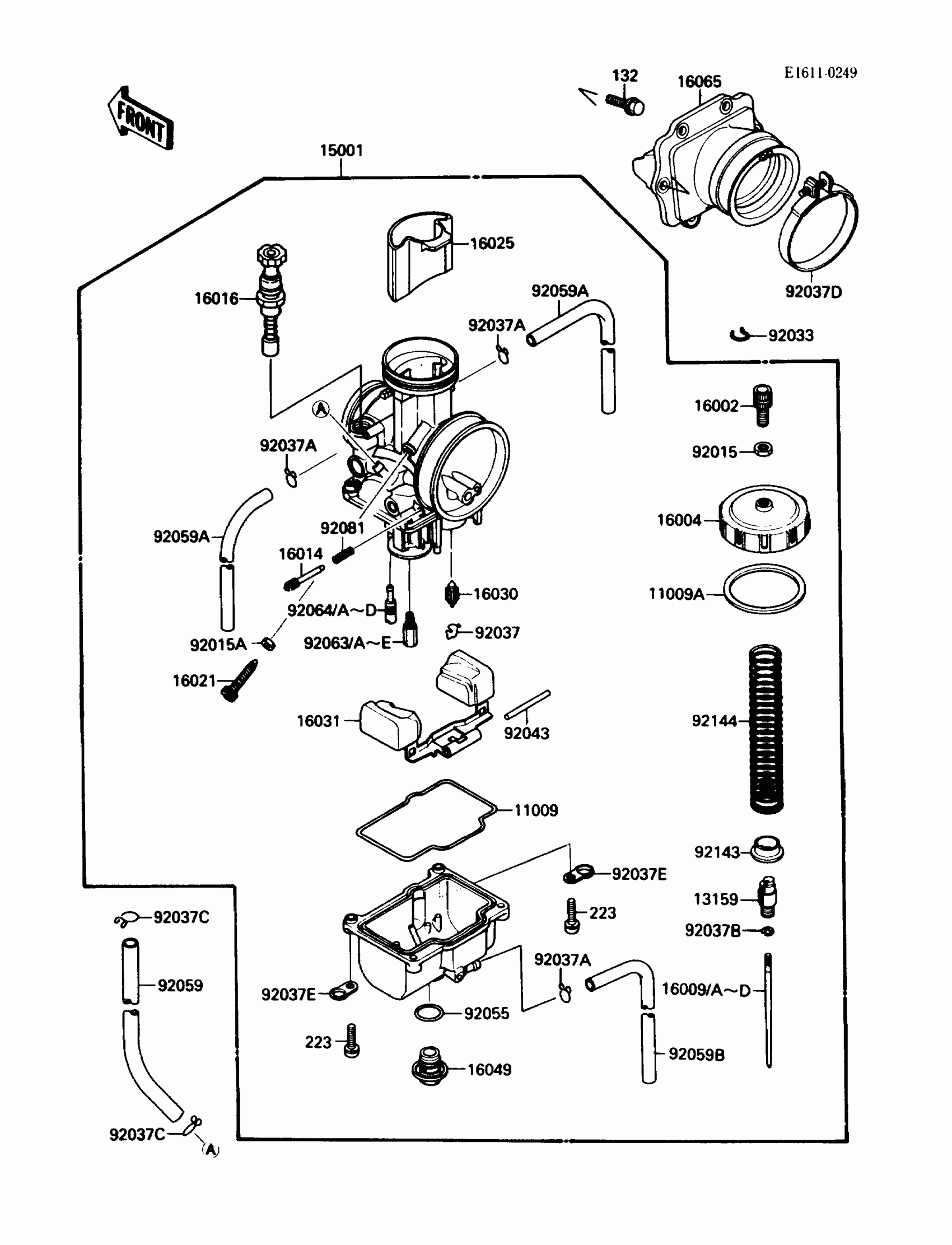
Kawasaki KX™250 Carburetor Diagram
#
Description
Price
13159
CONNECTOR,THROTTLE CABLE
13159-1060
Unavailable
16009
NEEDLE-JET,R1366J
16009-1406
Unavailable
16009B
NEEDLE-JET,R1368J
16009-1408
Unavailable
16021
SCREW-THROTTLE STOP
16021-1124
Unavailable
92015A
NUT,THROTTLE STOP SCREW
92015-1707
Unavailable
