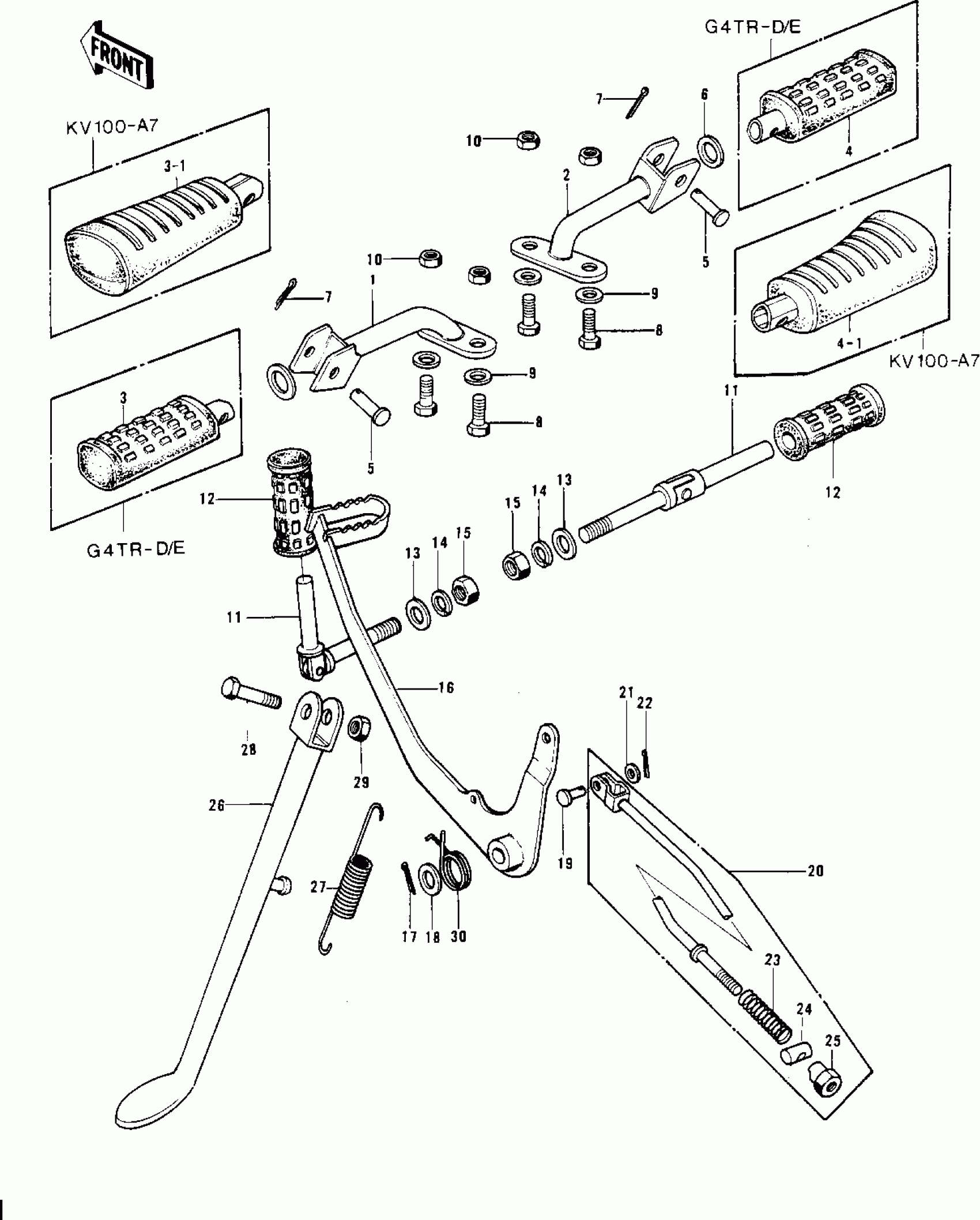
Kawasaki KV100-A7 FOOTRESTS/STAND/BRAKE PEDAL ('74-'75) Diagram
#
Description
Price
6
WASHER PL 22.5X36X2.3
92022-204
Unavailable
8
BOLT-UPSET,10X20
112B1020
Unavailable
11
BAR SET-REAR FOOTREST
34030-001
Unavailable
12
RUBBER REAR FOOTREST
92076-008
Unavailable
30
SPRING,BRAKE PEDAL
43005-007
Unavailable
