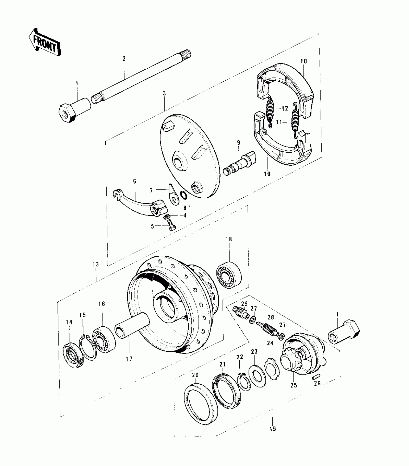
Kawasaki KS125-A FRONT HUB/BRAKE ('74-'75) Diagram
#
Description
Price
1
COLLAR,FRONT AXLE
41069-024
Unavailable
2
AXLE,FRONT
41068-043
Unavailable
6
LEVER,FRNT BRAKE CAM
41053-020
Unavailable
10
SHOE,BRAKE
41048-015
Unavailable
20
DUST COVER
41042-013
Unavailable
23
WASHER,19.5X26X0.8
41065-004
Unavailable
28
GEAR-METER SCREW,8T
41060-015
Unavailable
