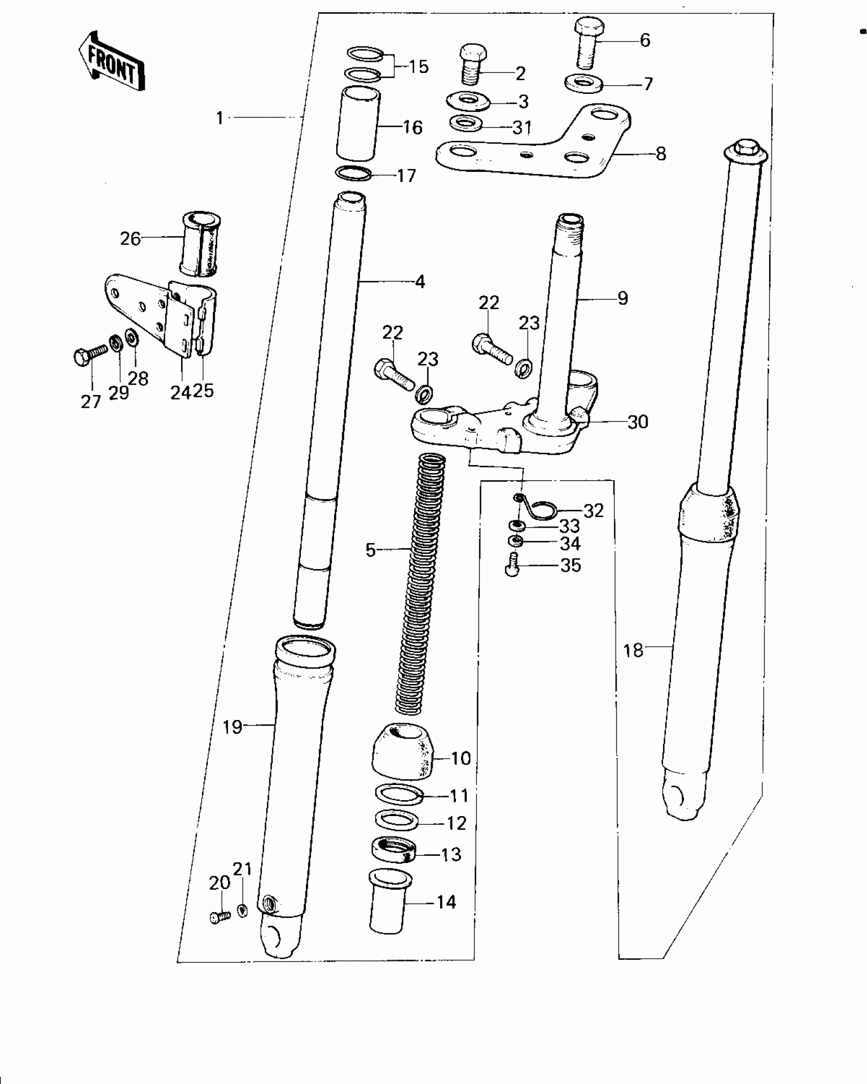
Kawasaki KM100 FRONT FORK Diagram
#
Description
Price
1
FORK-FRONT
44001-161
Unavailable
6
BOLT-UPSET,10X30
112G1030
Unavailable
8
HEAD,STEERING
44039-056
Unavailable
10
DUST SHIELD,FORK
44010-024
Unavailable
12
WASHER,FORK OUTER TUB
44043-054
Unavailable
14
GUIDE,FORK INNER TUBE
44015-016
Unavailable
15
RING,INNER TUBE GUIDE
44020-003
Unavailable
17
CIRCLIP,FORK PISTON
44044-017
Unavailable
18
TUBE,RH,FORK OUTER
44006-050
Unavailable
19
TUBE,LH,FORK OUTER
44005-052
Unavailable
22
BOLT,HEX HEAD 10X35
92001-1252
Unavailable
24
BRACKET,HEAD LAMP
23064-025
Unavailable
24
BRACKET,HEAD LAMP
11034-1665
Unavailable
26
DAMPER RUBBER,HD LAMP
92075-210
Unavailable
31
GASKET,FORK TOP BOLT
44045-053
Unavailable
