Partiron

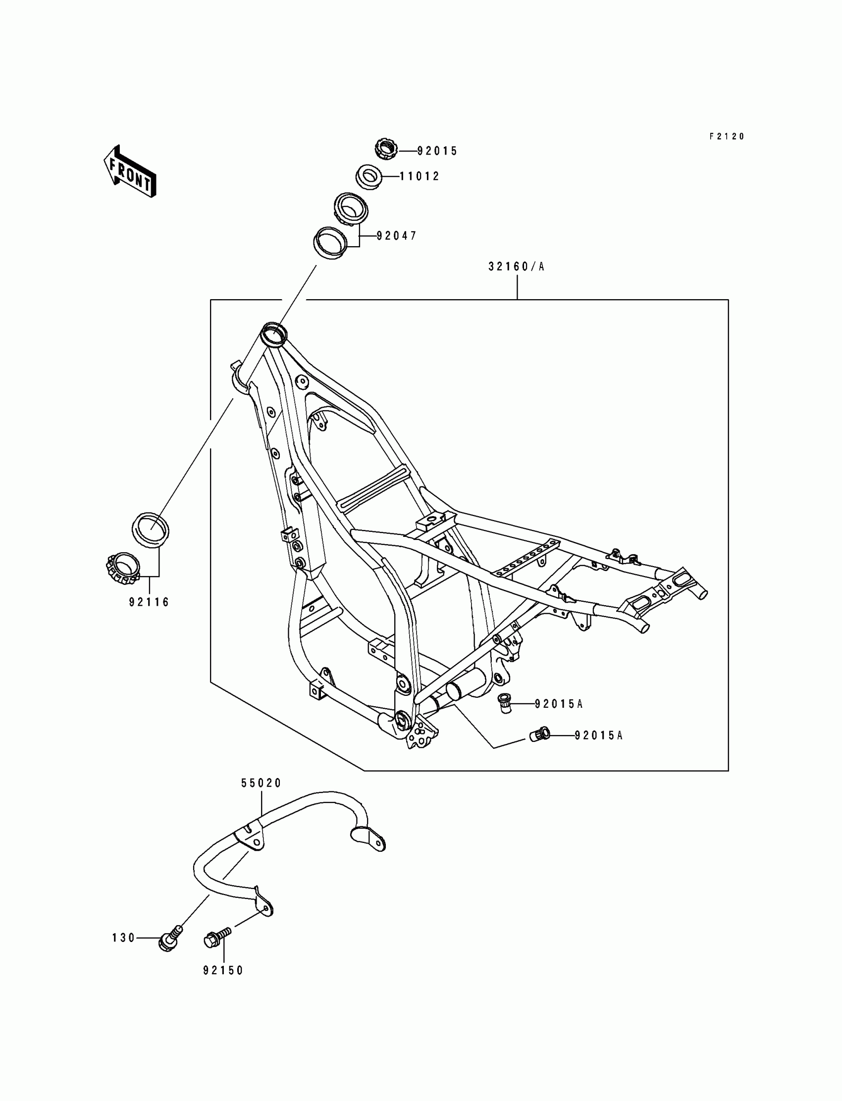
Kawasaki KLX650R Frame Diagram

#

Description
Price

11012

CAP,STEERING STEM

11012-1762

$6.16

32160A

FRAME-COMP,VIOLET

32160-1364-TY

$1,837.42

55020

GUARD,ENGINE

55020-1480

Unavailable

92015

NUT,25MM,T=12

92015-1546

$20.96

92015A

NUT,POP,6MM,L=15

92015-1791

$4.69

92047

RACE,ROLLER,32005JR RS

92047-017

$43.75

92116

BEARING-ROLLER,HI-CAP32006JRRS

92116-1069

$64.45

92150

BOLT,6X14

92150-1340

$5.07

130

BOLT-FLANGED,8X14

130G0814

$2.12