Partiron

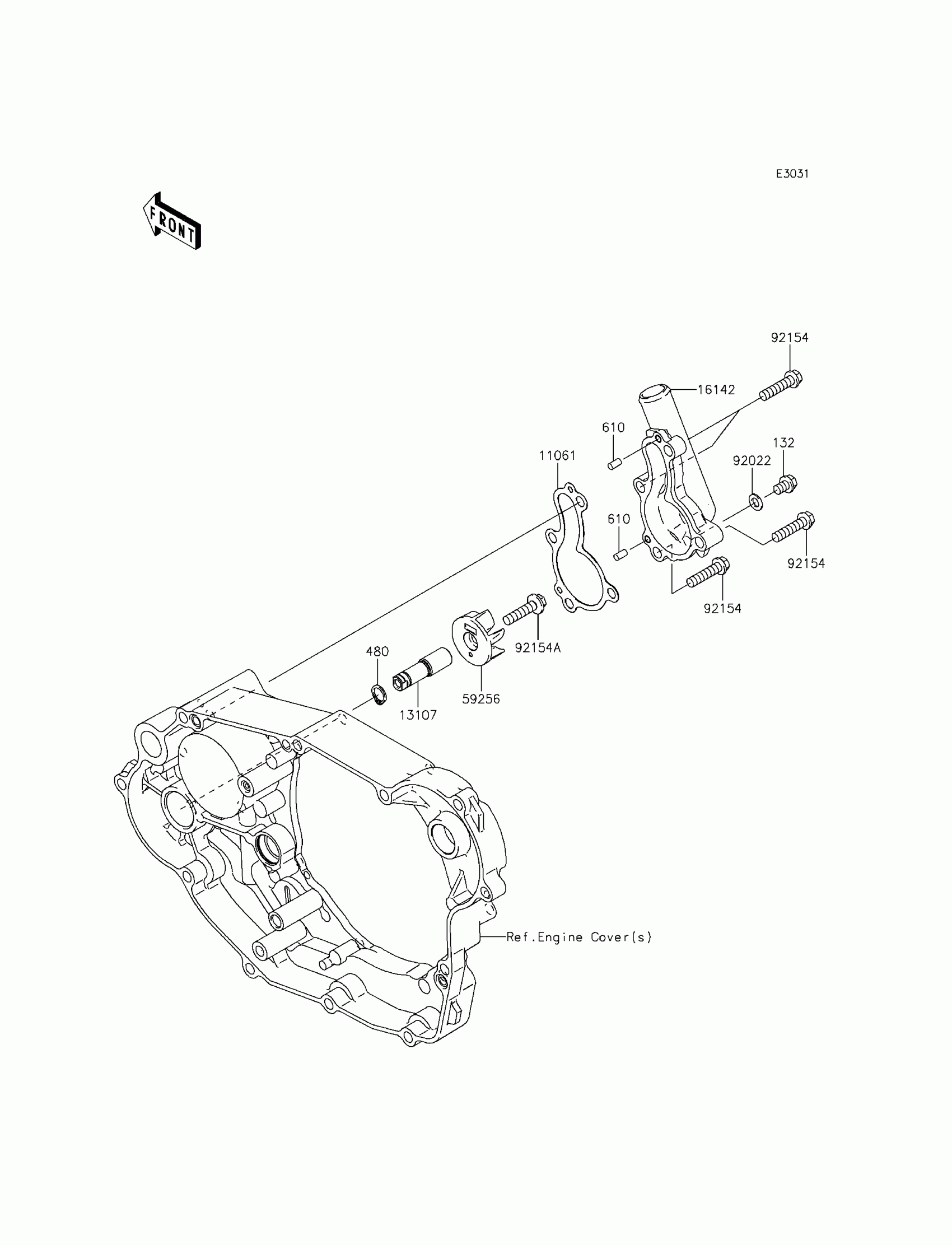
Kawasaki KLX450R (Australian) Water Pump Diagram

#

Description
Price

132

BOLT-FLANGED-SMALL,6X8

132BA0608

$2.49

480

CIRCLIP-TYPE-C,10MM

480J1000

$0.65

610

ROLLER,4X8

610A0408

$4.31

11061

GASKET,WATER PUMP COVER

11061-0225

$6.02

13107

SHAFT,WATER PUMP

13107-0135

$55.64

16142

COVER-PUMP,WATER

16142-0029

Unavailable

59256

IMPELLER

59256-0003

$46.35

92022

WASHER,6.2X11X1

92022-304

$3.65

92154

BOLT,FLANGED,6X25

92154-0530

$2.32

92154A

BOLT,FLANGED,6X25

92154-0531

$3.02