Partiron

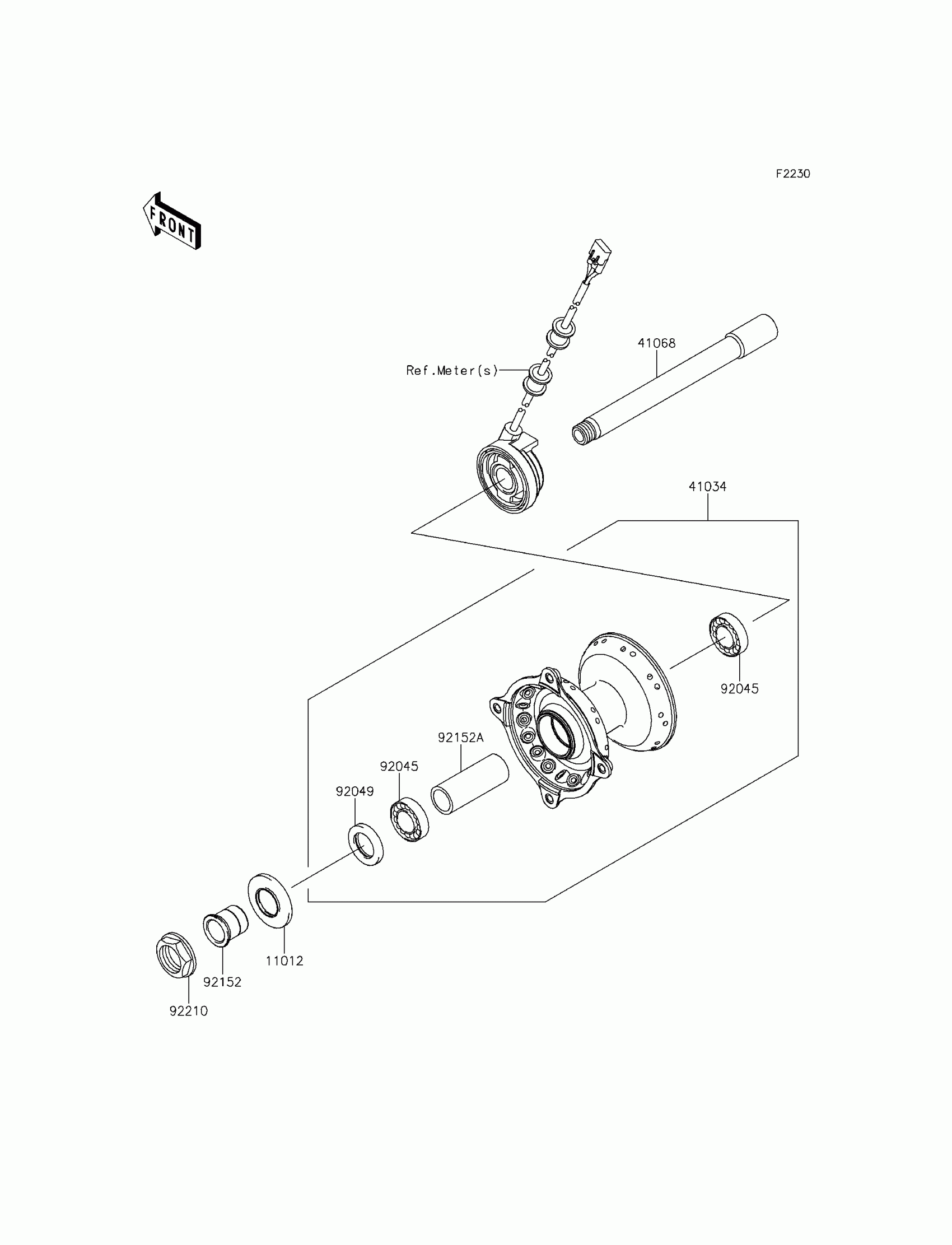
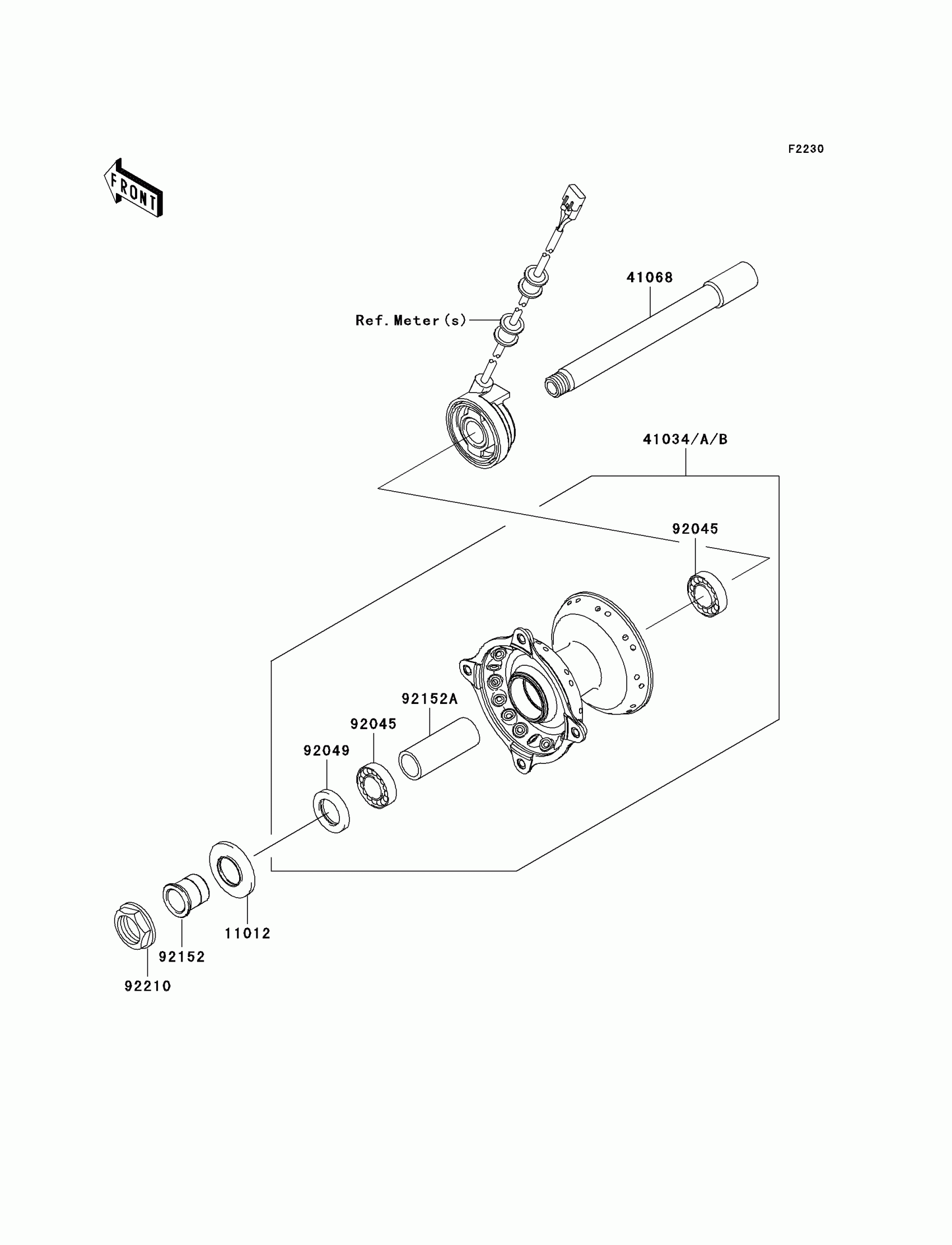
Kawasaki KLX450R (Australian) Front Hub Diagram

#

Description
Price

11012

CAP,AXLE

11012-1581

$6.51

41034B

DRUM-ASSY,FRONT BRAKE

41034-0066

$277.68

41068

AXLE,FR

41068-0004

$67.18

92045

BEARING-BALL,69042RS

92045-1284

$29.43

92049

SEAL-OIL,BJNC-2 25X37X5

92049-1403

$17.02

92152

COLLAR,FR AXLE,L=27.5

92152-0324

$24.54

92152A

COLLAR,FRONT BRAKE DRUM,L=68

92152-0514

$24.84

92210

NUT,18MM

92210-0065

$10.16