Partiron

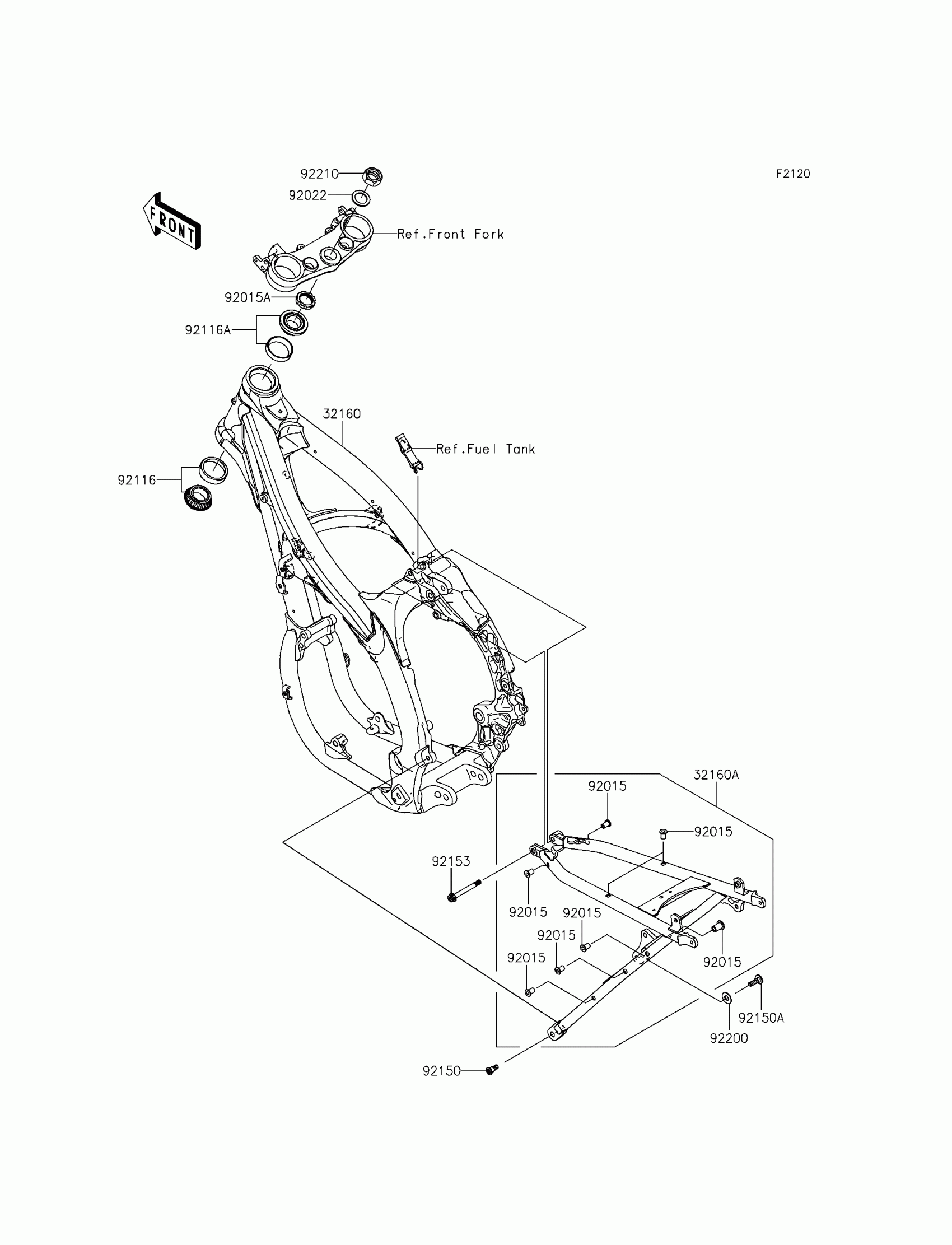
Kawasaki KLX450R (Australian) Frame Diagram

#

Description
Price

32160

FRAME-COMP,FR

32160-0213

$2,845.30

32160B

FRAME-COMP,RR

32160-0333

Unavailable

92015

NUT,POP,6MM,L=15

92015-1791

$4.69

92015A

NUT,STEERING STEM,28MM

92015-1861

$18.15

92022

WASHER,25X36X2.3

92022-250

$5.00

92116

BEARING-ROLLER,HI-CAP32006JRRS

92116-1069

$64.45

92116A

BEARING-ROLLER,HI-CAP320/28JRR

92116-1076

$51.63

92150

BOLT,SOCKET,8X20

92150-1760

$6.57

92150A

BOLT,8X25

92150-1845

$7.68

92153

BOLT,SOCKET,8X74

92153-1790

$5.65

92200

WASHER,10.5X24X1.5

92200-0154

$2.15

92210

NUT,24MM

92210-0066

$11.77