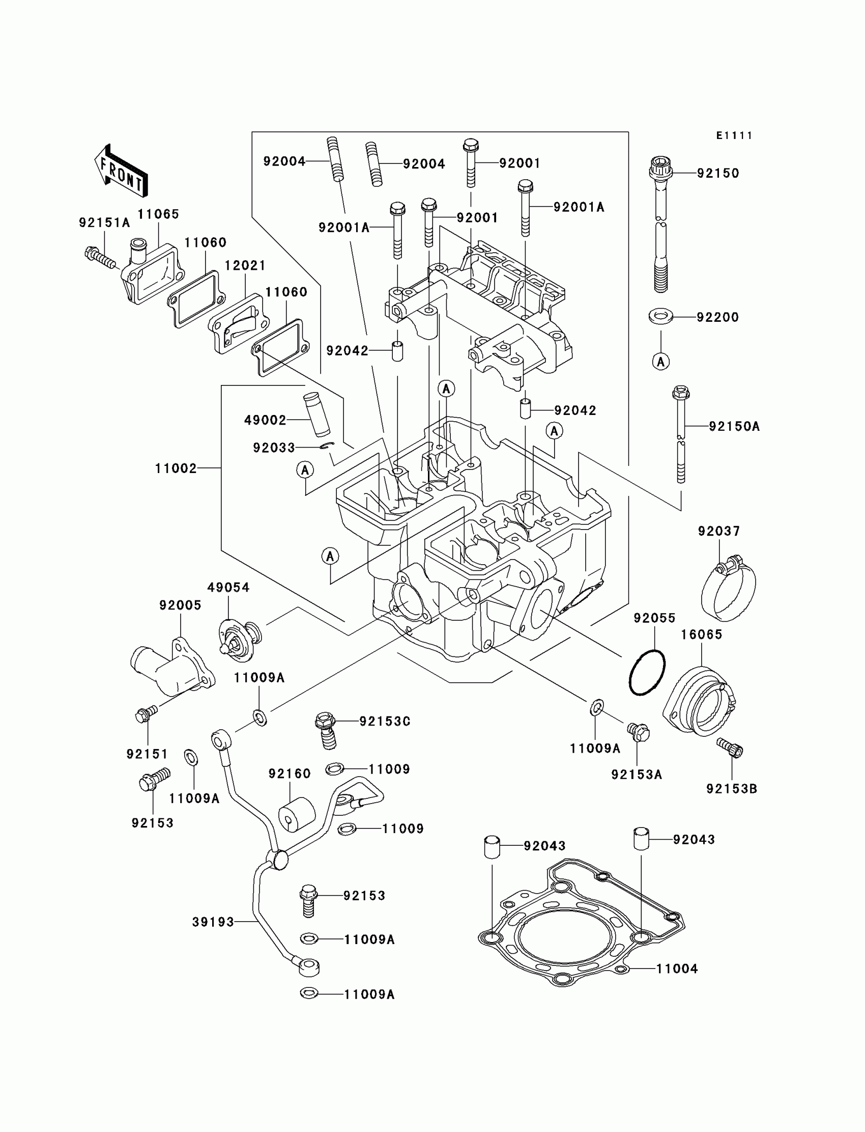
Kawasaki KLX250S Cylinder Head Diagram
#
Description
Price
11065
CAP
11065-1190
Unavailable
49002
GUIDE-VALVE
49002-1126
Unavailable
92151
BOLT,6X12
92151-1133
Unavailable
92151A
BOLT,6X22
92151-1937
Unavailable
