Partiron

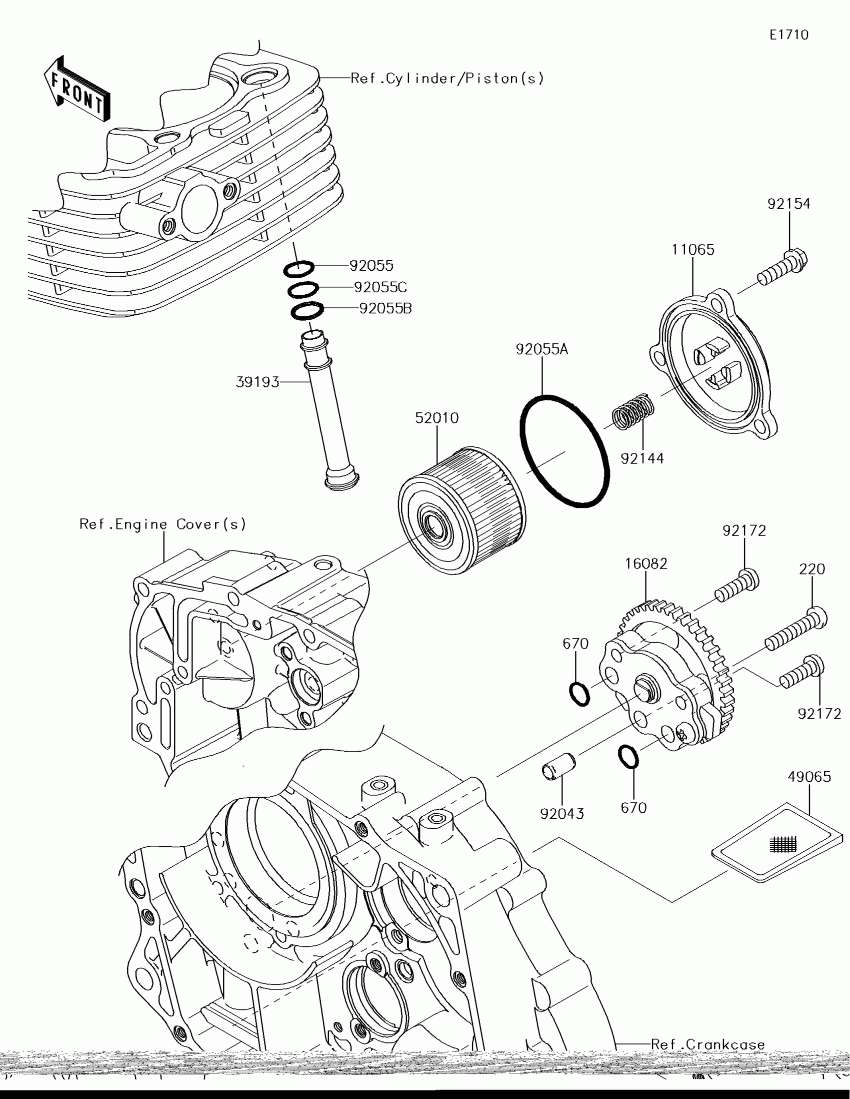
Kawasaki KLX150L (Latin America) Oil Pump Diagram

#

Description
Price

11065

CAP

11065-0818

$21.82

16082

PUMP-ASSY-OIL

16082-0040

$134.32

220

SCREW-PAN-CROS,6X30

220AA0630

$3.67

39193

PIPE-OIL

39193-0578

$5.92

49065

FILTER-OIL

49065-0028

$9.58

52010

ELEMENT-OIL FILTER

52010-0552

Unavailable

670

O RING,9.8X1.9

670B1510

$4.31

92043

PIN,6.2X8X14

92043-0099

$3.71

92055

RING-O,9.8X1.9

92055-0061

$2.61

92055A

RING-O,59.6X2.4

92055-0190

$3.60

92055B

RING-O,12.8X1.9

92055-0773

$3.90

92055C

RING-O,9.8X2.4

92055-1150

$8.10

92144

SPRING

92144-1892

$3.26

92154

BOLT,FLANGED,6X20

92154-1219

$2.49

92172

SCREW,6X18

92172-0831

$3.65