- Partiron
- OEM Parts
- Kawasaki
- motorcycle
- 2017
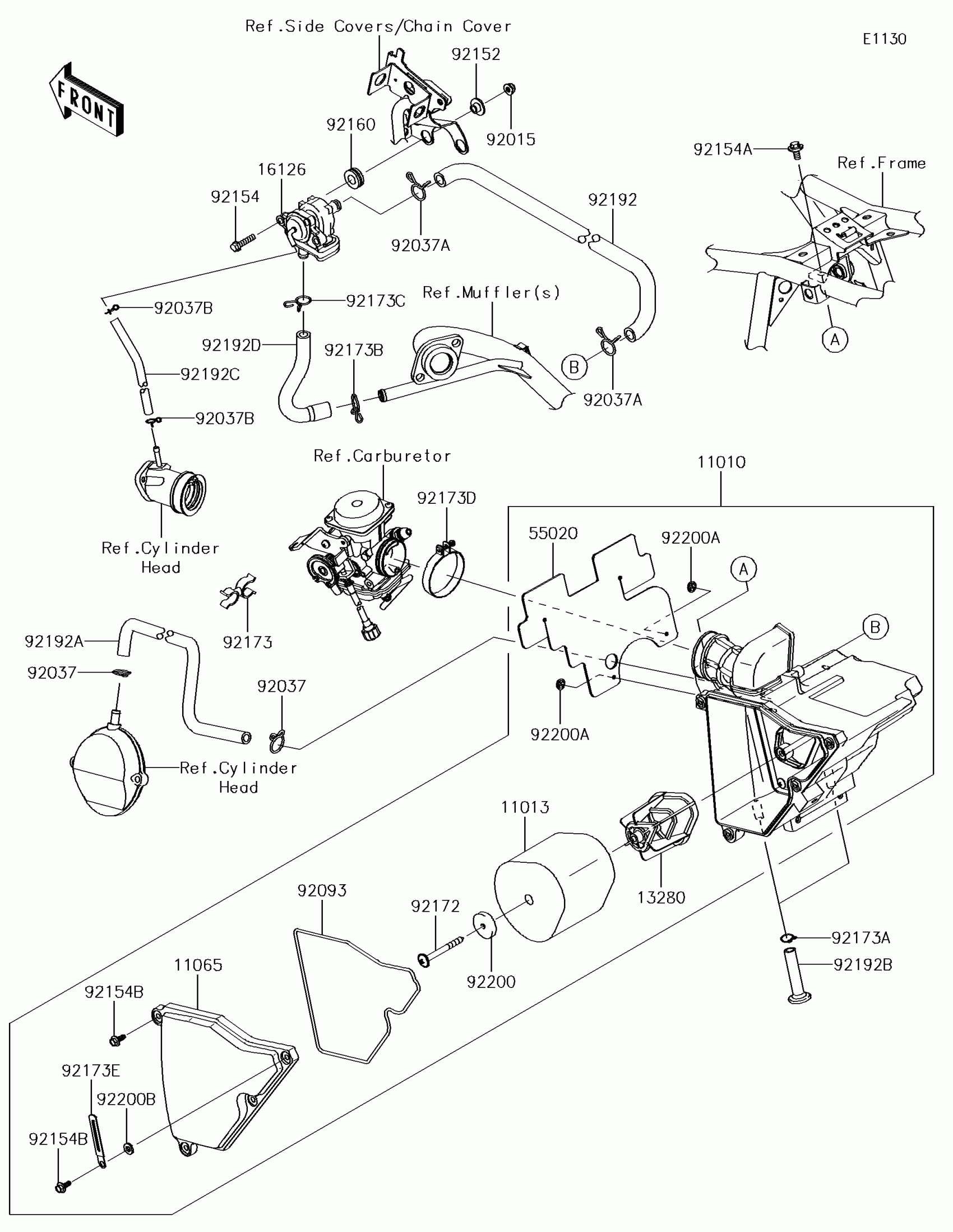
- KLX150L (Latin America)
Air Cleaner
Kawasaki KLX150L (Latin America) Air Cleaner Diagram
#
Description
Price
11010
FILTER-ASSY-AIR
11010-0830
Unavailable
92093
SEAL
92093-0655
Unavailable
92173E
CLAMP
92173-1424
Unavailable
