Kawasaki KLX150BF Swingarm Diagram
#
Description
Price
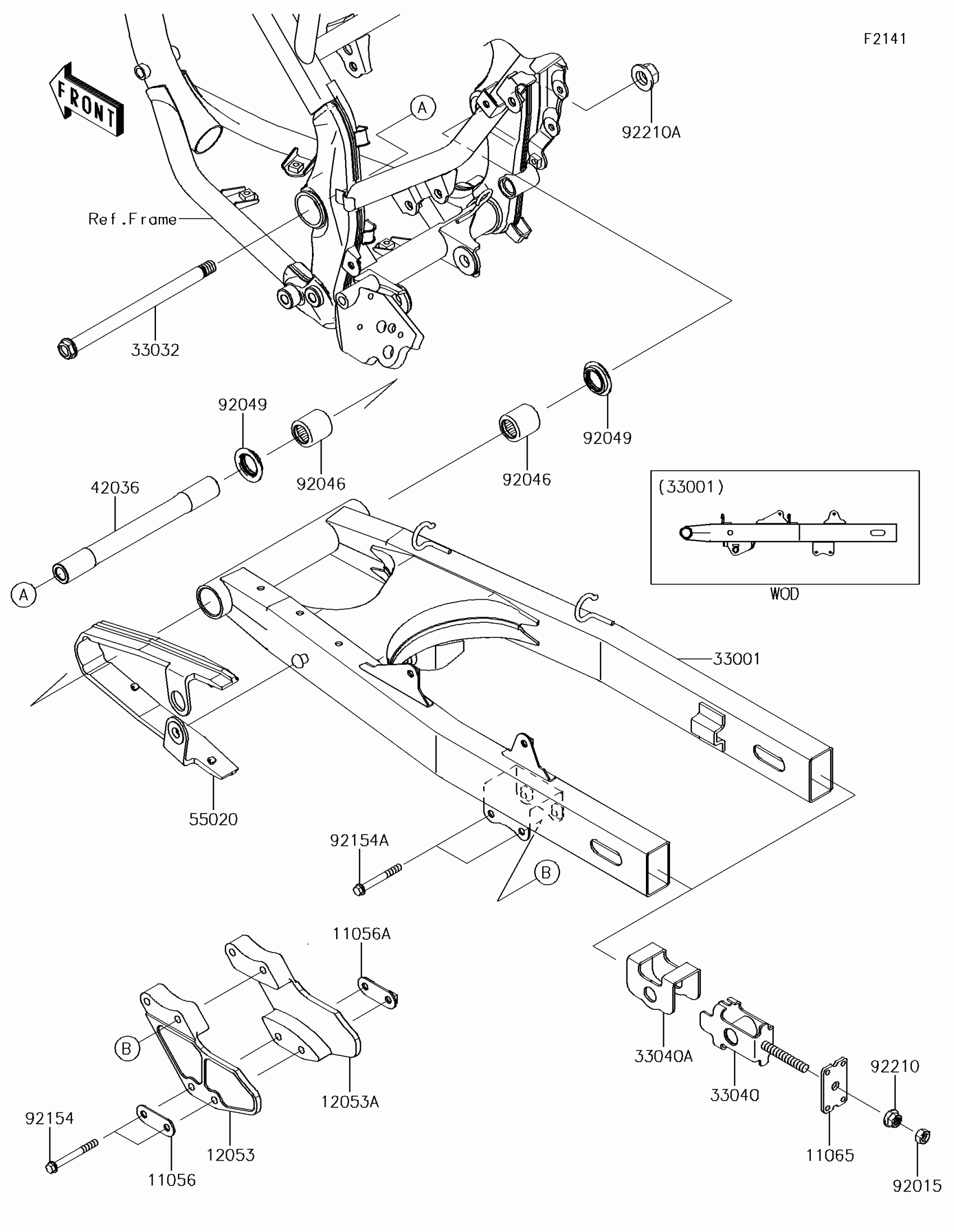
33001
ARM-COMP-SWING,P.SILVER
33001-0644-458
Unavailable
92210
NUT,8MM
92210-0773
Unavailable
#
33001
33001-0644-458
Unavailable
92210
92210-0773
Unavailable
Edit ride
