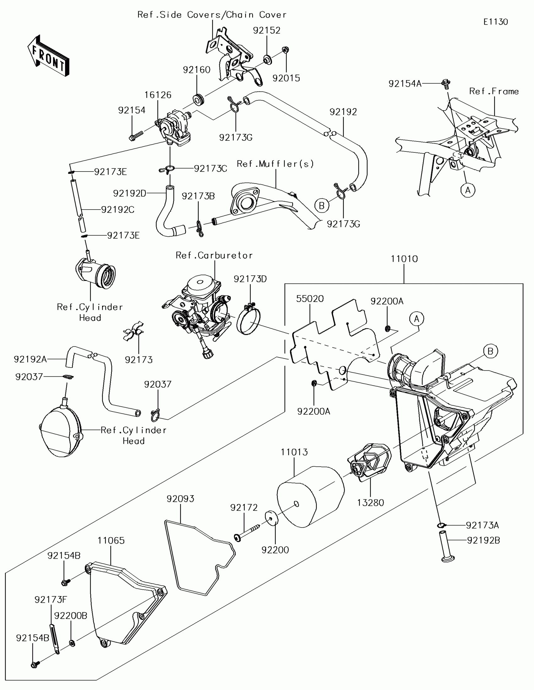
Kawasaki KLX150BF Air Cleaner Diagram
#
Description
Price
11010
FILTER-ASSY-AIR
11010-0830
Unavailable
92093
SEAL
92093-0655
Unavailable
92173F
CLAMP
92173-1424
Unavailable
#
11010
11010-0830
Unavailable
92093
92093-0655
Unavailable
92173F
92173-1424
Unavailable
Edit ride
