Partiron

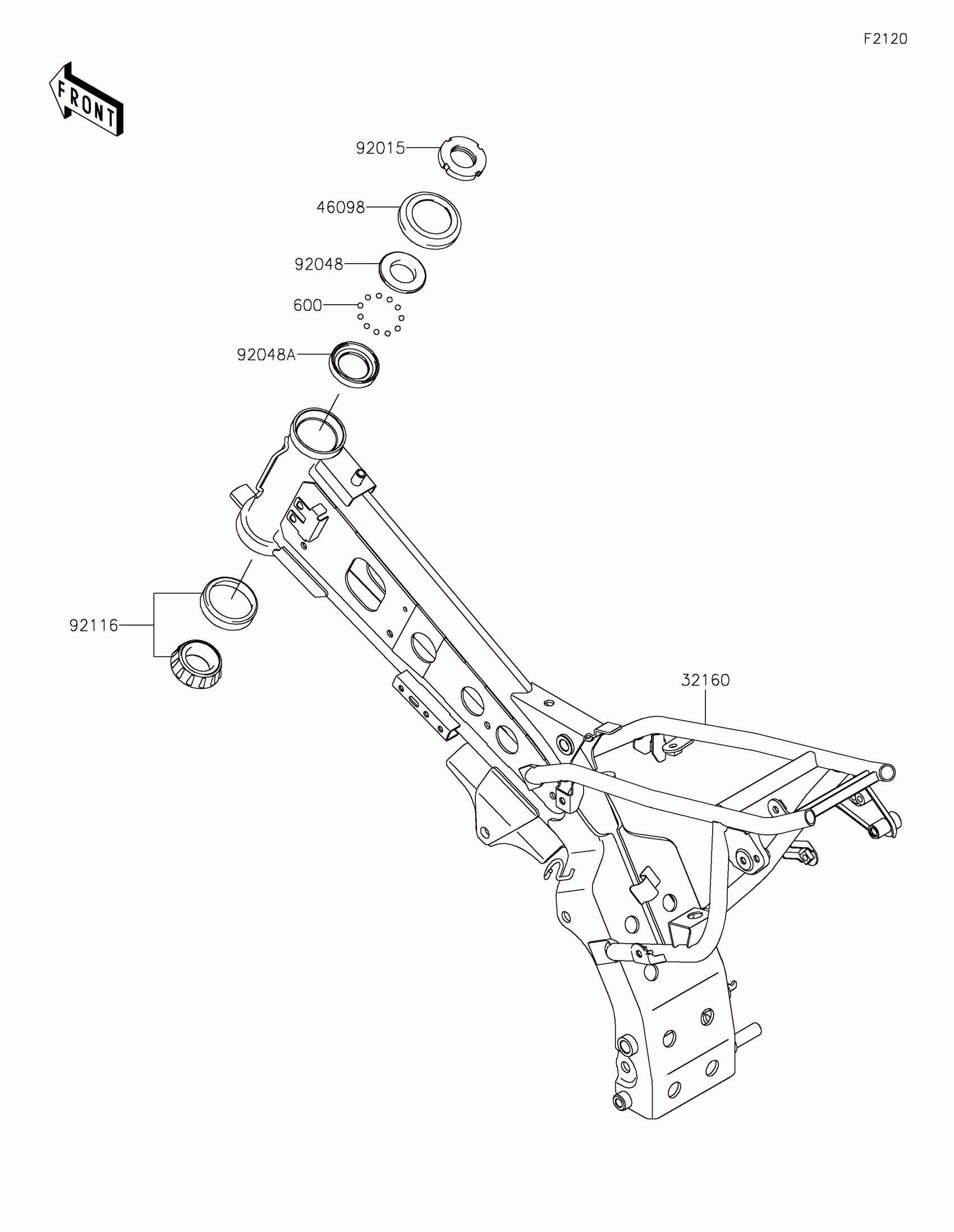
Kawasaki KLX110L Frame Diagram

#

Description
Price

32160

FRAME-COMP,P.SILVER

32160-0501-458

Unavailable

46098

CAP,STEERING STEM

46098-018

$6.51

92015

NUT,STEERING LOCK,25MM

92015-1222

$33.90

92048

RACE,STEERING STEM BEARING

92048-0035

$12.72

92048A

RACE,STEERING STEM BEARING

92048-0038

$14.10

92116

BEARING-ROLLER,HR320/28XJ

92116-1009

$36.32

600

BALL-STEEL,3/16

600A0600

$1.07