Partiron

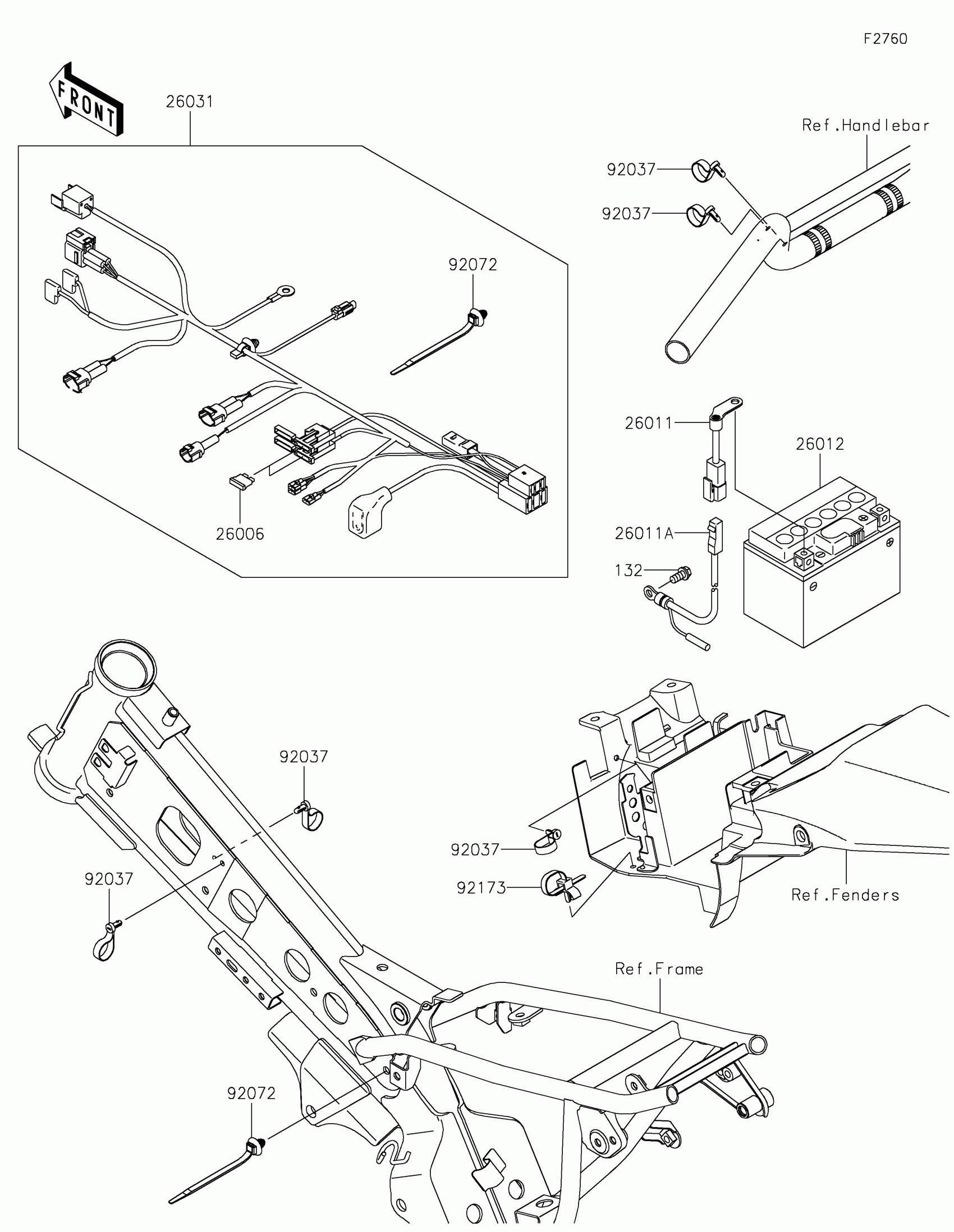
Kawasaki KLX110L Chassis Electrical Equipment Diagram

#

Description
Price

26006

FUSE,MINI BLADE,10A,RED

26006-0009

Unavailable

26011

WIRE-LEAD

26011-0245

$22.21

26011A

WIRE-LEAD

26011-0289

$35.14

26012

BATTERY,FTH4L-BS,12V 3AH

26012-0900

Unavailable

26031

HARNESS,MAIN

26031-1106

$148.65

92037

CLAMP,SPEED,L=58

92037-1163

$6.57

92072

BAND,OS170-FT7(BLACK)

92072-1414

$3.74

92173

CLAMP

92173-1512

$5.29

132

BOLT-FLANGED-SMALL,6X12

132BA0612

$1.20