Partiron

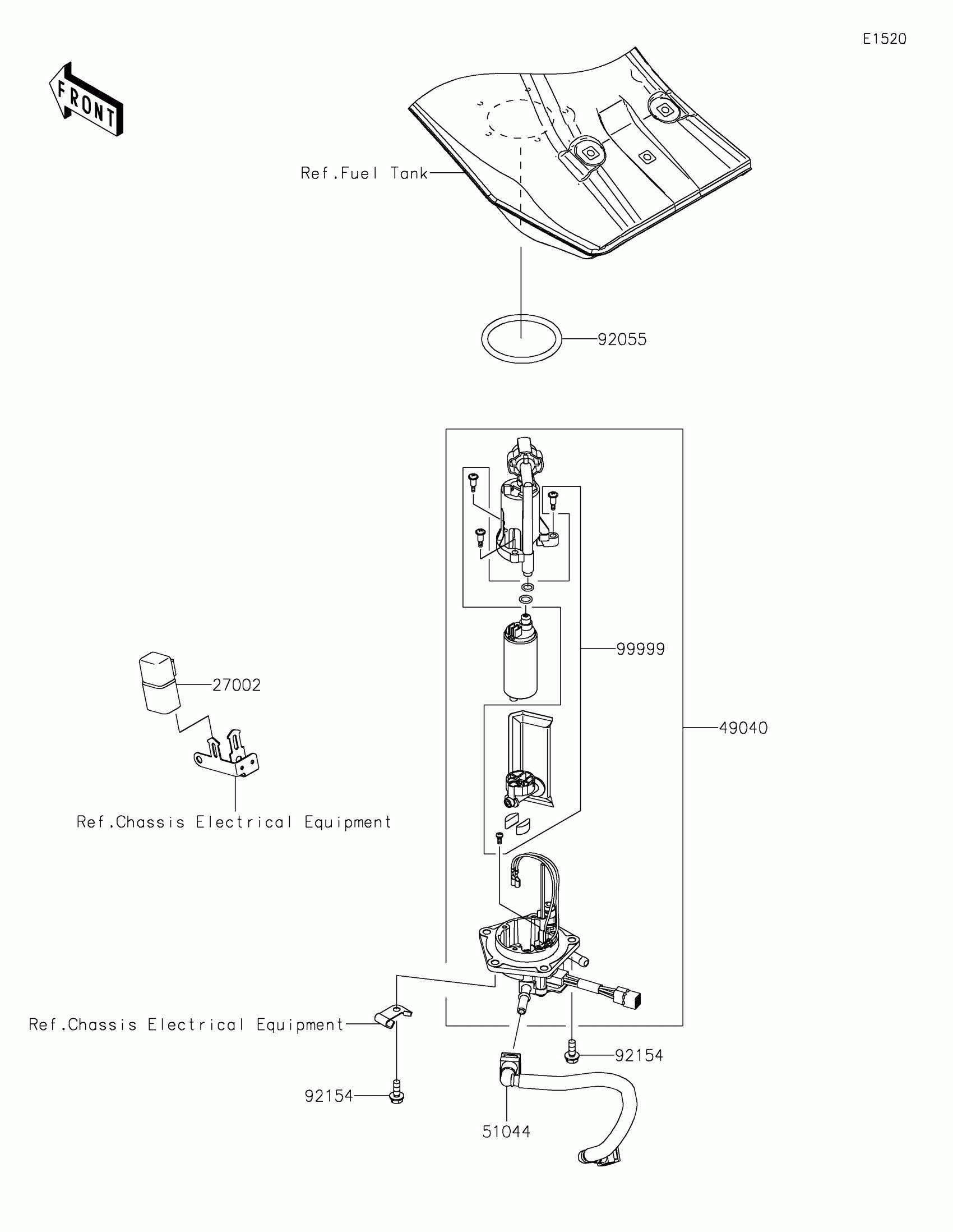
Kawasaki KLX®300R Fuel Pump Diagram

#

Description
Price

27002

RELAY-ASSY

27002-1086

$36.91

49040

PUMP-FUEL

49040-0767

$452.03

51044

TUBE-ASSY,FUEL

51044-0912

$92.14

92055

RING-O,64.6X5.7

92055-0185

$3.71

92154

BOLT,FLANGED,6X16

92154-0899

$2.32

99999

KIT.,FUEL FILTER

99999-0535

$76.99