Partiron

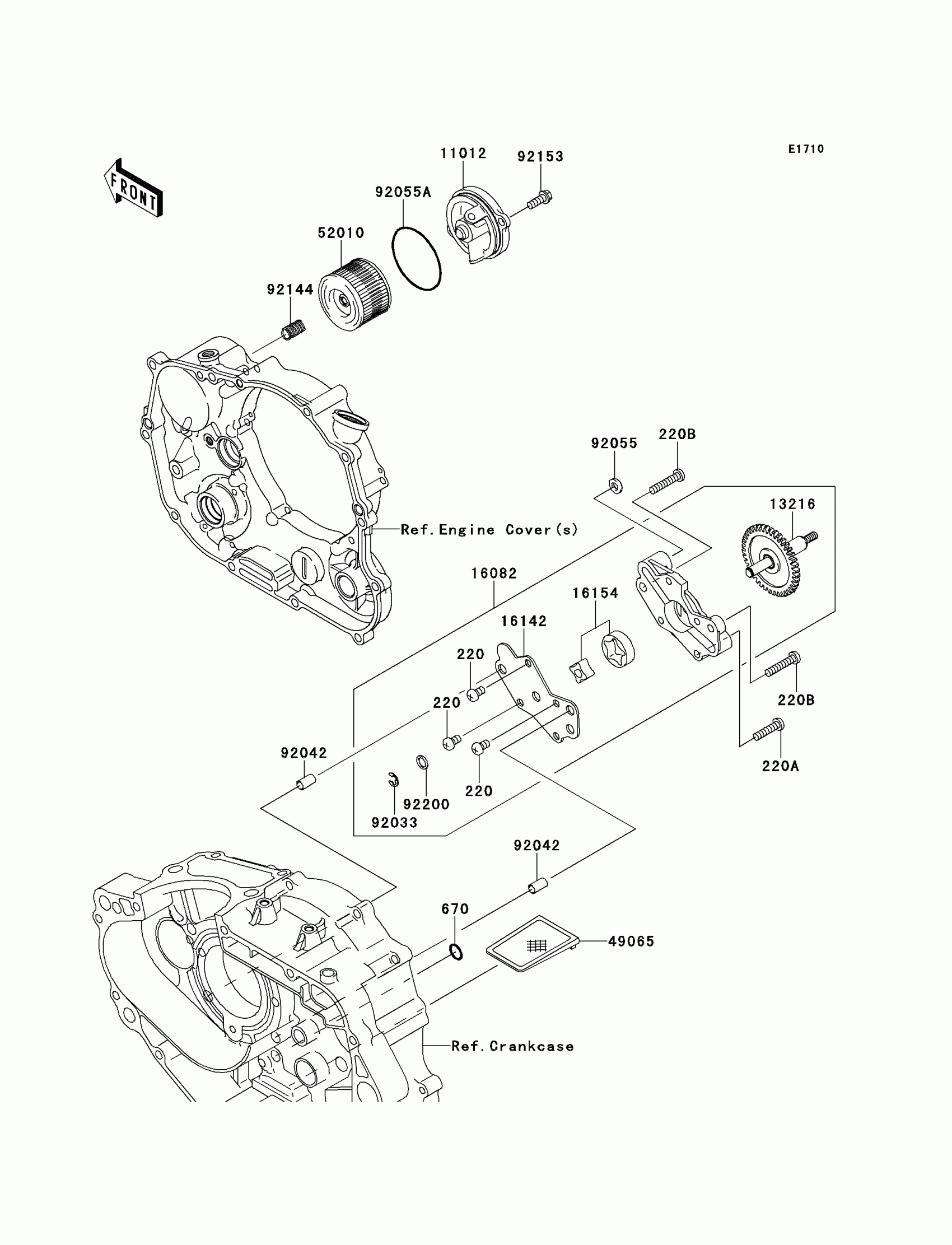
Kawasaki KLX®250SF Oil Pump Diagram

#

Description
Price

220

SCREW-PAN-CROS,6X10

220AA0610

$3.23

220A

SCREW-PAN-CROS,6X25

220AA0625

$2.78

220B

SCREW-PAN-CROS,6X30

220AA0630

$3.67

670

O RING,10MM

670D2010

$1.94

11012

CAP,OIL FILTER

11012-1915

$58.44

13216

GEAR-COMP,OIL PUMP

13216-1193

$118.07

16082

PUMP-ASSY-OIL

16082-1163

Unavailable

16142

COVER-PUMP

16142-1123

$43.66

16154

ROTOR-PUMP

16154-1130

$35.69

49065

FILTER-OIL

49065-1058

$12.76

52010

ELEMENT-OIL FILTER

52010-1053

$9.10

92033

RING-SNAP,6MM

92033-1327

$0.69

92042

PIN,DOWEL,6.3X8X14

92042-007

$5.70

92055

RING-O,OD=13

92055-074

$8.58

92055A

RING-O,52.6X2.4

92055-1577

$4.69

92144

SPRING

92144-1761

$4.65

92153

BOLT,6X16

92153-0695

$3.07

92200

WASHER,8.5X12X1.0

92200-1591

$4.38