Partiron

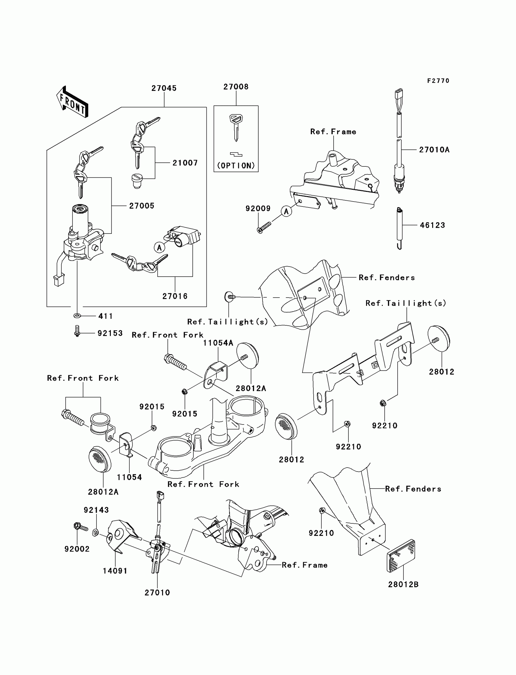
Kawasaki KLX®250SF Ignition Switch Diagram

#

Description
Price

411

WASHER-PLAIN,6MM

411AA0600

$2.92

11054

BRACKET,REFLECTOR,FR,LH

11054-0367

$11.93

11054A

BRACKET,REFLECTOR,FR,RH

11054-0368

$11.93

14091

COVER,SIDE STAND SWITCH

14091-1553

$7.60

21007

ROTOR,LOCK,TANK CAP

21007-5040

$55.22

27005

SWITCH-ASSY-IGNITION

27005-0046

$152.55

27008

KEY-LOCK,BLANK

27008-1170

$17.98

27010

SWITCH,SIDE STAND

27010-0097

$117.39

27010A

SWITCH,REAR BRAKE

27010-1489

$46.78

27016

LOCK-ASSY,HELMET

27016-5207

$73.22

27045

SWITCH-ASSY

27045-5383

$227.81

28012

REFLECTOR-REFLEX

28012-0002

$24.14

28012A

REFLECTOR-REFLEX,FR

28012-016

$23.25

28012B

REFLECTOR-REFLEX

28012-1088

$22.46

46123

SPRING-COMP,REAR BRAKE SWITCH

46123-0008

$5.85

92002

BOLT,FLANGED,6X25

92002-1582

$4.69

92009

SCREW,6X30

92009-1753

$4.10

92015

NUT,FLANGED,5MM

92015-1259

$3.92

92143

COLLAR

92143-1331

$3.94

92153

BOLT,TORX,6X16

92153-0967

$2.61

92210

NUT,FLANGED,5MM

92210-0007

$2.70