Partiron

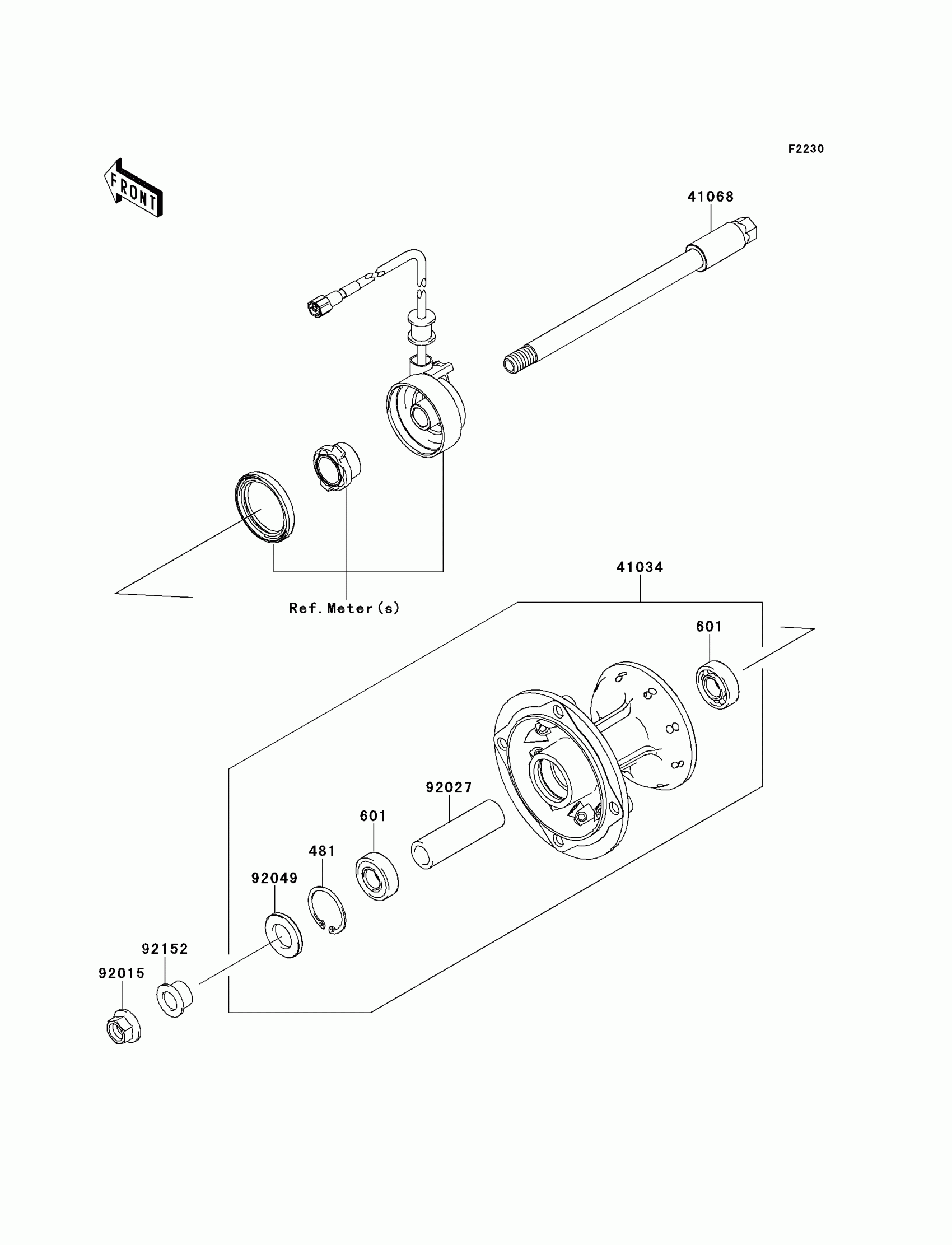
Kawasaki KLX®250S Front Hub Diagram

#

Description
Price

481

CIRCLIP-TYPE-C,35MM

481J3500

$1.96

601

BEARING-BALL,#6202UG

601B6202UG

$20.79

41034

DRUM-ASSY,FRONT BRAKE

41034-0051

$393.18

41068

AXLE,FR

41068-0062

$102.63

92015

NUT,14MM

92015-1407

$9.91

92027

COLLAR,15.2X22.2X75

92027-1958

$40.86

92049

SEAL-OIL

92049-0136

$16.06

92152

COLLAR,FR AXLE,L=14

92152-0528

$16.39