Partiron

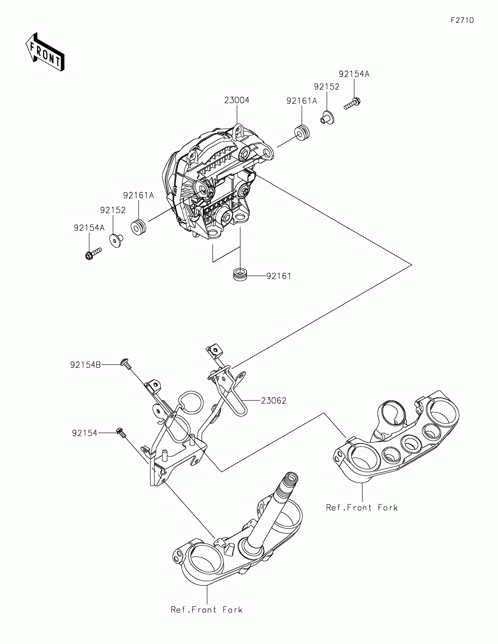
Kawasaki KLX®230SM ABS Headlight(s) Diagram

#

Description
Price

23004

LAMP-HEAD,LED

23004-0431

$1,030.25

23062

BRACKET-COMP,HEAD LAMP

23062-1498

$103.89

92152

COLLAR,6.5X10X15.3

92152-1793

$7.89

92154

BOLT,FLANGED,6X12

92154-2753

$2.70

92154A

BOLT,FLANGED,6X25

92154-2774

$3.21

92154B

BOLT,SOCKET,6X14

92154-3763

$1.42

92161

DAMPER,7.5X22X11

92161-1536

$5.65

92161A

DAMPER,10X24X12

92161-2112

$5.00