- Partiron
- OEM Parts
- Kawasaki
- motorcycle
- 2022
- KLX®230S ABS
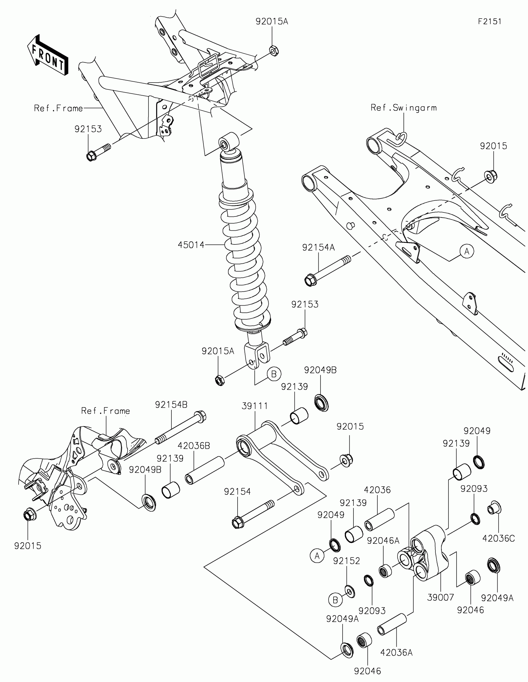
Suspension/Shock Absorber
Kawasaki KLX®230S ABS Suspension/Shock Absorber Diagram
#
Description
Price
Suspension/Shock Absorber
#
Edit ride
