Partiron

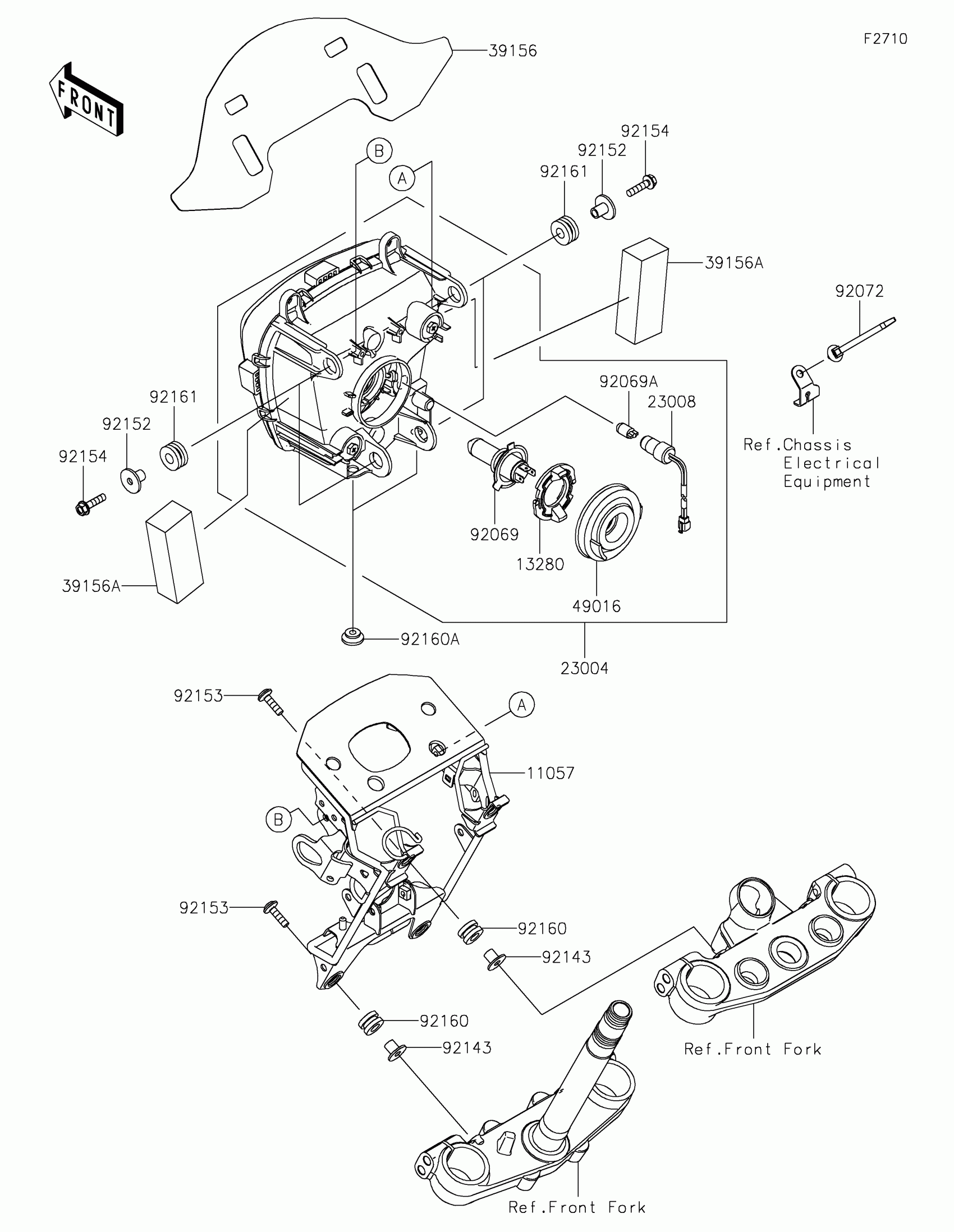
Kawasaki KLX®230S ABS Headlight(s) Diagram

#

Description
Price

11057

BRACKET,HEAD LAMP

11057-4020

$218.58

13280

HOLDER

13280-0902

$4.80

23004

LAMP-HEAD

23004-0415

$379.67

23008

SOCKET-ASSY,POSITION

23008-0197

$15.06

39156

PAD

39156-2564

$18.56

39156A

PAD,90X25X35

39156-2572

$6.81

49016

COVER-SEAL

49016-0649

$3.68

92069

BULB,12V 60/55W,H4

92069-0097

$18.29

92069A

BULB,12V 5W

92069-0098

$15.93

92072

BAND,OS170-FT7(BLACK)

92072-1414

$3.74

92143

COLLAR

92143-1353

$8.58

92152

COLLAR,6.5X10X15.3

92152-1793

$7.89

92153

BOLT,SOCKET,6X22

92153-0574

$2.61

92154

BOLT,FLANGED,6X25

92154-2774

$3.21

92160

DAMPER,10X20X12

92160-1167

$4.69

92160A

DAMPER

92160-1613

$3.74

92161

DAMPER,10X24X12

92161-2112

$5.00