Partiron

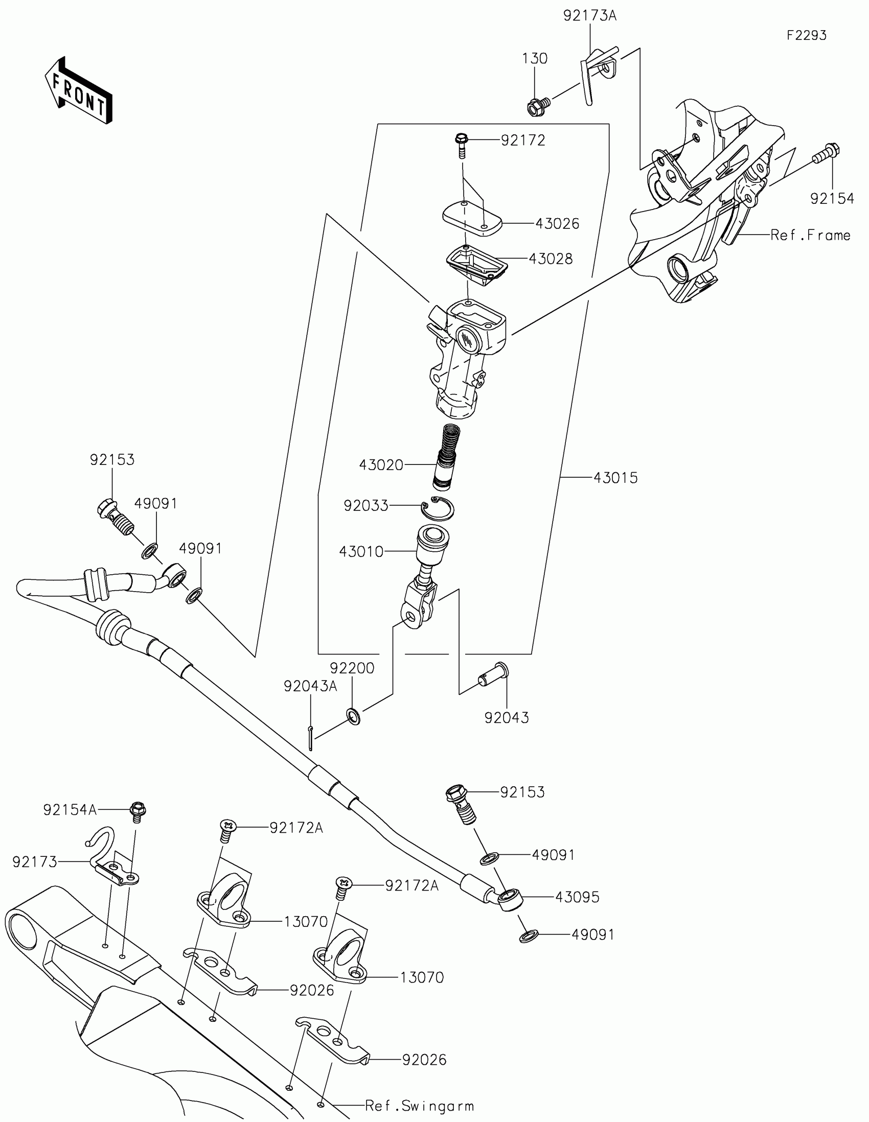
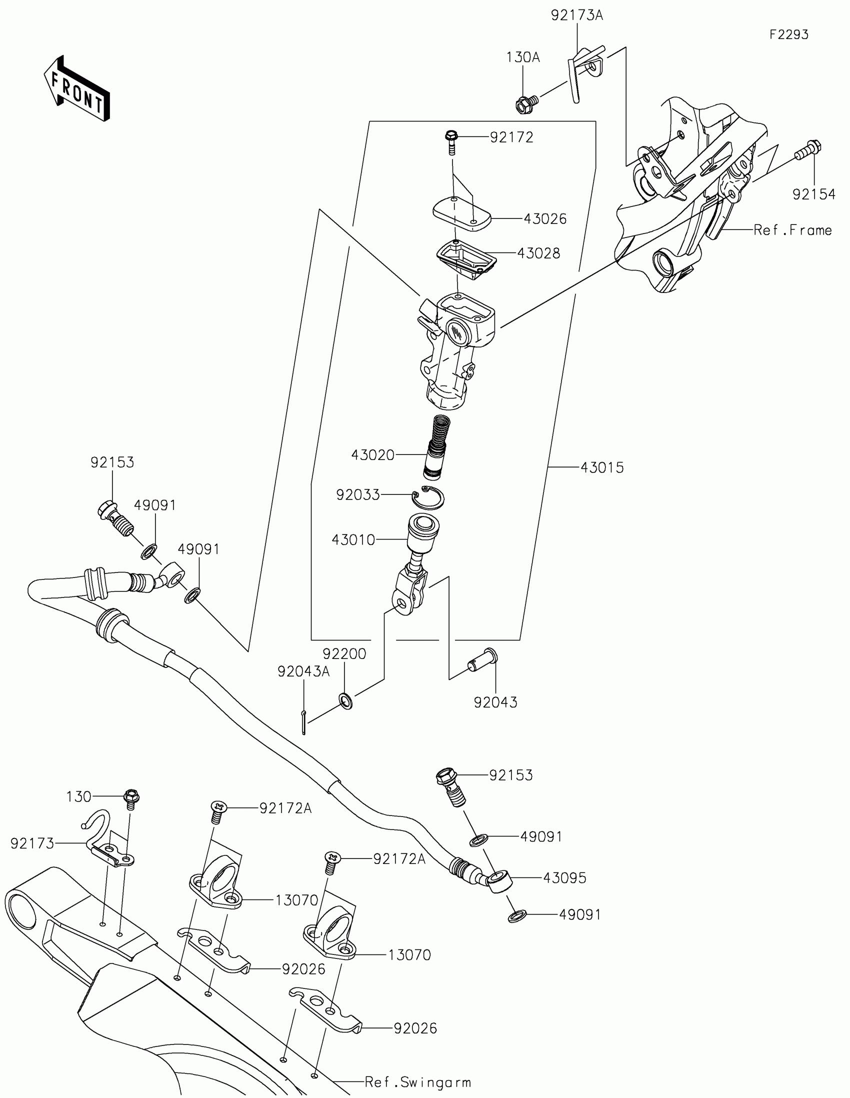
Kawasaki KLX®230R Rear Master Cylinder Diagram

#

Description
Price

130

BOLT-FLANGED,5X10

130BA0510

$1.71

13070

GUIDE,HOSE

13070-1144

$8.03

130A

BOLT-FLANGED,6X10

130BA0610

$1.20

43010

ROD-ASSY-BRAKE

43010-0025

$54.90

43015

CYLINDER-ASSY-MASTER,RR

43015-0724

$309.99

43020

PISTON-COMP-BRAKE

43020-1094

$65.22

43026

CAP-BRAKE

43026-0023

$16.21

43028

DIAPHRAGM

43028-1092

$20.74

43095

HOSE-BRAKE,M/CYLINDER-CALIPER

43095-1630

$85.06

49091

WASHER-SEAL,10.1X14.5X1.5

49091-0001

$2.15

92026

SPACER

92026-0879

$5.79

92033

RING-SNAP,20.9X24.6X1.2

92033-0079

$7.78

92043

PIN

92043-0004

$11.16

92043A

PIN,COTTER,2.0X15

92043-0766

$1.17

92153

BOLT,OIL,L=23

92153-0029

$1.63

92154

BOLT,FLANGED,6X16

92154-0460

$1.83

92172

SCREW

92172-1064

$2.41

92172A

SCREW,6X16

92172-1198

$1.94

92173

CLAMP,BRAKE HOSE,SWING ARM

92173-1976

$4.60

92173A

CLAMP,BRAKE HOSE,SWING ARM

92173-1978

$4.85

92200

WASHER,8.5X13X1

92200-1980

$3.92