Partiron

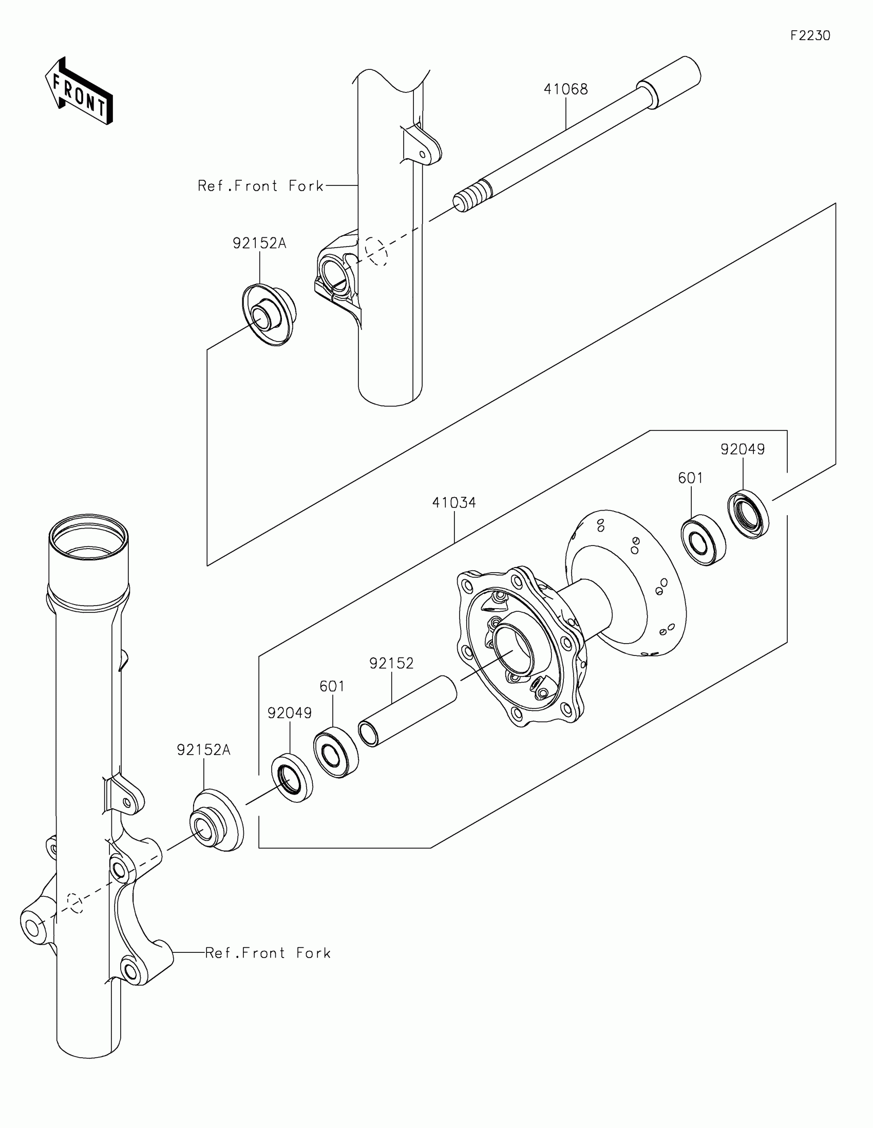
Kawasaki KLX®230 SE Front Hub Diagram

#

Description
Price

41034

DRUM-ASSY,FR

41034-0600

$412.36

41068

AXLE,FR,15X188

41068-0650

$120.22

92049

SEAL-OIL

92049-0114

$13.21

92152

COLLAR,15.2X20X79

92152-2543

$21.61

92152A

COLLAR

92152-2544

$35.08

601

BEARING-BALL

601B6202UU

$21.98