Partiron

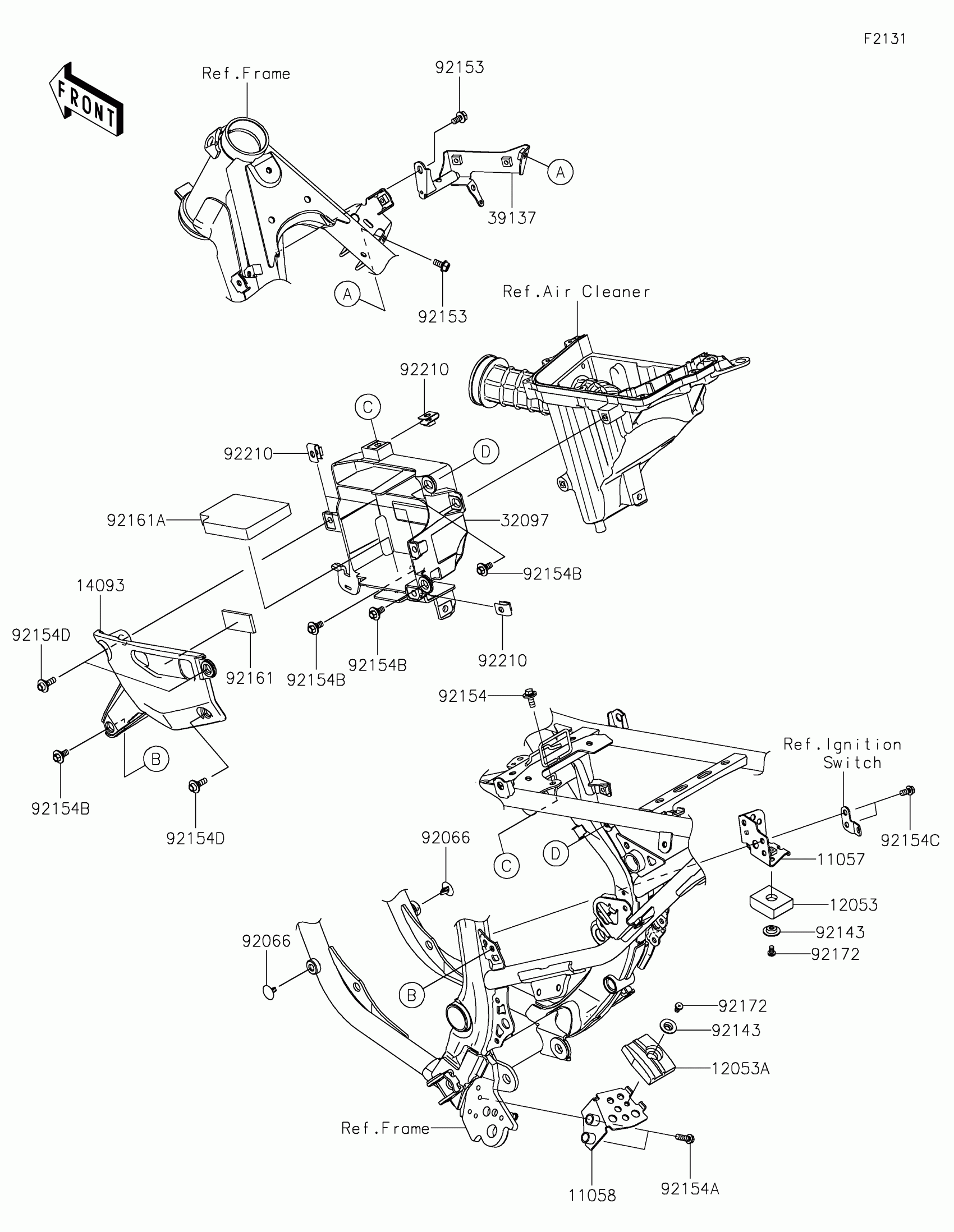
Kawasaki KLX®230 S Frame Fittings Diagram

#

Description
Price

11057

BRACKET,LWR

11057-2065

$17.46

11057A

BRACKET,UPP

11057-2067

$14.32

12053

GUIDE-CHAIN,UPP

12053-0270

$2.78

12053A

GUIDE-CHAIN,LWR

12053-0271

$3.02

14093

COVER,BATTERY CASE

14093-0861

$9.64

32097

CASE-BATTERY

32097-0048

$11.80

92015

NUT,6MM

92015-1602

$7.34

92072

BAND,BATTERY

92072-0838

$6.03

92143

COLLAR

92143-1676

$6.22

92152

COLLAR,6.5X10X10.4

92152-1688

$1.97

92154

BOLT,6X25

92154-0467

$1.94

92154A

BOLT,FLANGED,6X9

92154-0546

$3.74

92154B

BOLT,FLANGED,6X20

92154-2757

$2.95

92161

DAMPER,146X22X1

92161-2210

$2.58

92161A

DAMPER,49X13X3

92161-2211

$1.37

92161B

DAMPER,BATTERY

92161-2221

$17.10

92172

SCREW,5X8

92172-0119

$2.12

132

BOLT-FLANGED-SMALL,6X12

132BA0612

$1.20