Partiron

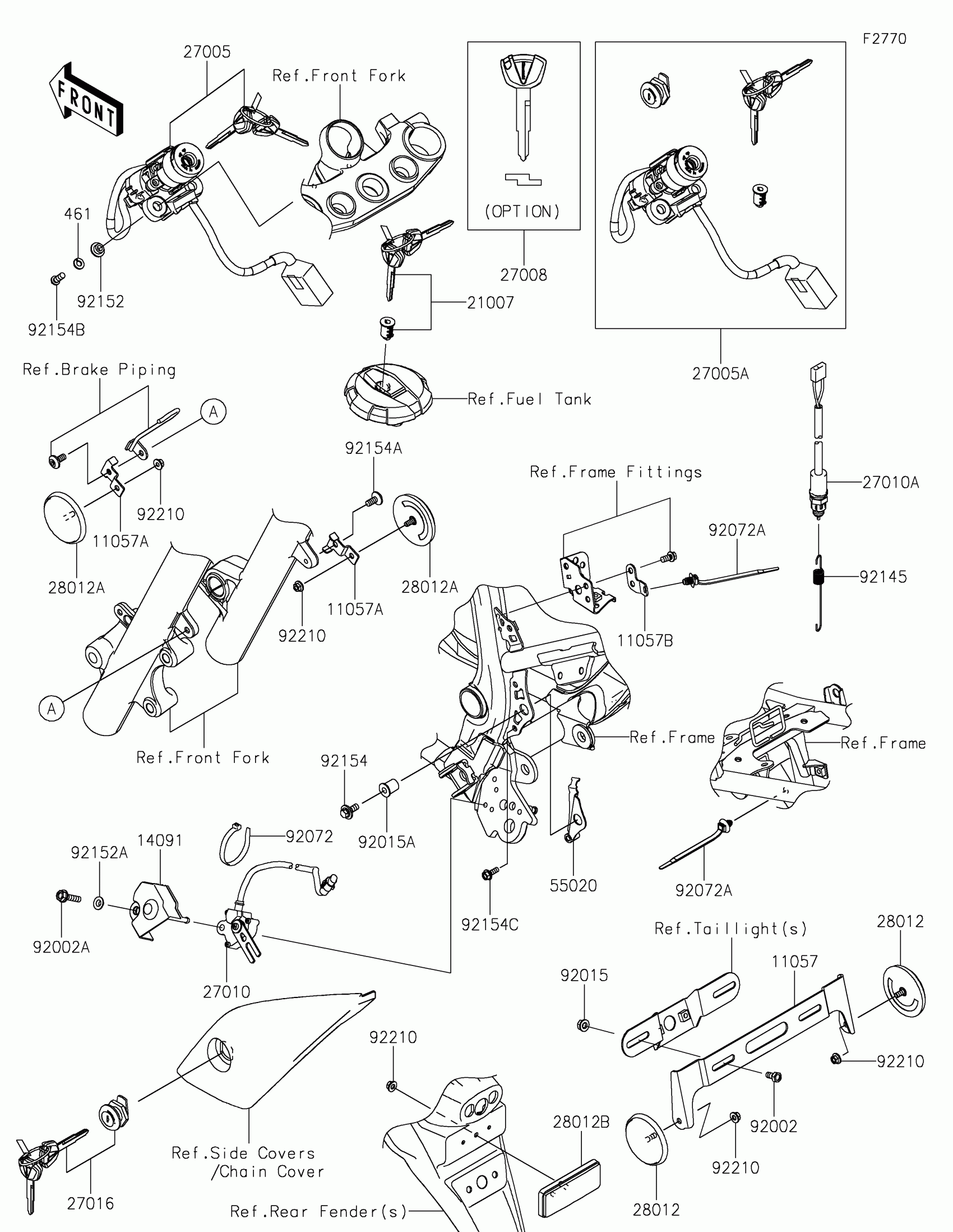
Kawasaki KLX®230 DF ABS Ignition Switch Diagram

#

Description
Price

11057

BRACKET,REFLECTOR

11057-0641

$18.83

11057A

BRACKET,FR

11057-2421

$2.32

11057B

BRACKET

11057-4032

$2.80

14091

COVER,SIDE STAND SWITCH

14091-1553

$7.60

21007

ROTOR,LOCK,TANK CAP

21007-5077

$123.53

27005

SWITCH-ASSY-IGNITION

27005-0721

$135.77

27005A

SWITCH-ASSY-IGNITION

27005-5194

$332.65

27008

KEY-LOCK,BLANK

27008-0596

$21.89

27010

SWITCH,SIDE STAND

27010-0097

$117.39

27010A

SWITCH,REAR BRAKE

27010-0106

$49.60

27016

LOCK-ASSY

27016-5387

$90.37

28012

REFLECTOR-REFLEX

28012-0002

$24.14

28012A

REFLECTOR-REFLEX

28012-0008

$26.52

28012B

REFLECTOR-REFLEX

28012-1077

$23.25

55020

GUARD

55020-2307

$8.92

92002

BOLT,6X12

92002-1132

$1.49

92002A

BOLT,FLANGED,6X25

92002-1582

$4.69

92015

NUT,FLANGED,6MM

92015-1367

$3.69

92015A

NUT

92015-1700

$8.58

92072

BAND,L=200

92072-0946

$5.43

92072A

BAND,OS170-FT7(BLACK)

92072-0947

$3.58

92145

SPRING

92145-2417

$4.33

92152

COLLAR,6.15X10.15X6

92152-1535

$3.74

92152A

COLLAR,6.4X8X4.3

92152-2212

$3.94

92154

BOLT,FLANGED-SMALL,6X16

92154-1183

$1.48

92154A

BOLT,SOCKET,6X14

92154-3763

$1.42

92154B

BOLT,TORX,6X16

92154-7275

$3.67

92154C

BOLT,FLANGED,5X14

92154-7277

$1.98

92210

NUT,FLANGED,5MM

92210-0007

$2.70

461

WASHER-SPRING,6MM

461DA0600

$0.71