Partiron

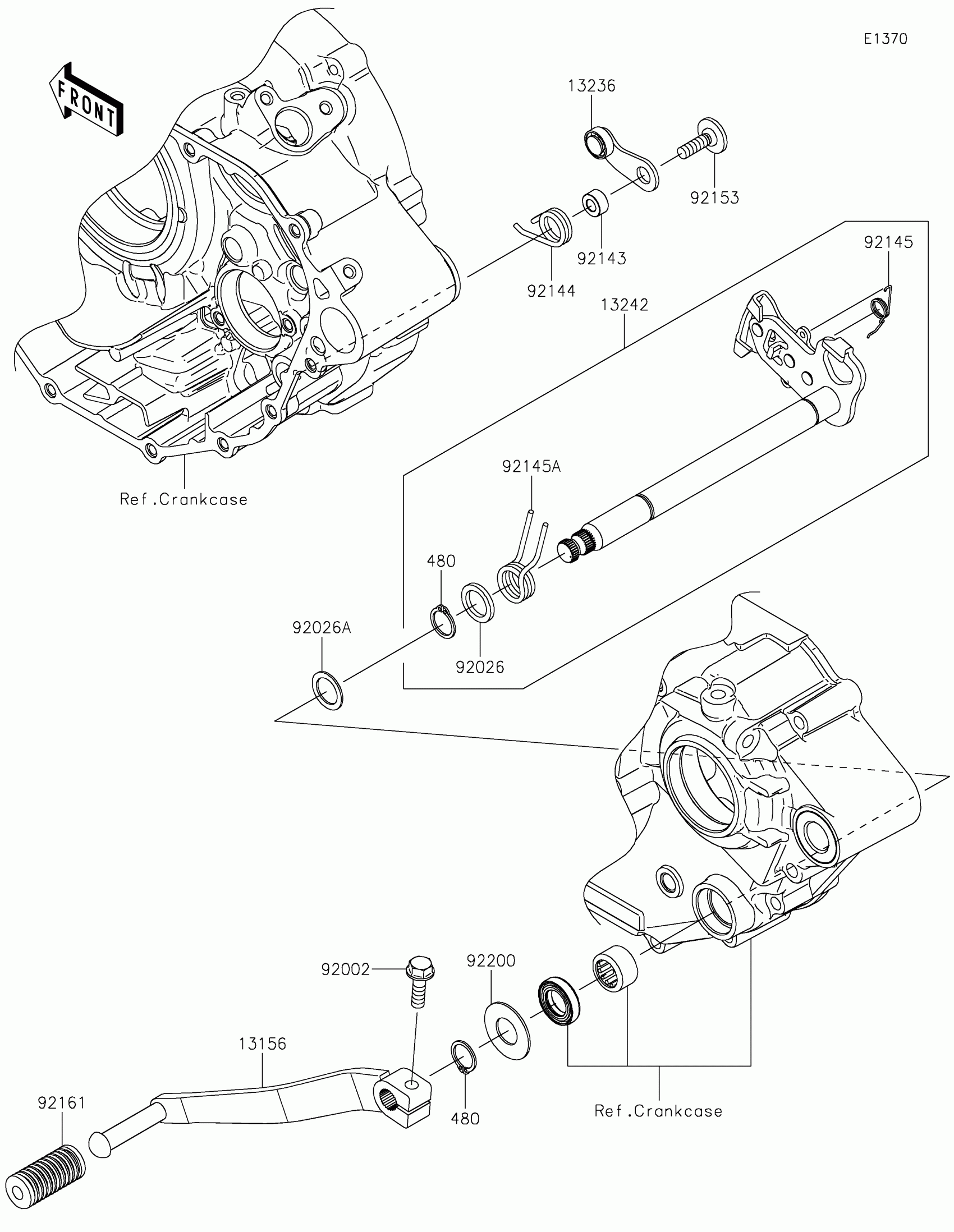
Kawasaki KLX®230 ABS Gear Change Mechanism Diagram

#

Description
Price

13156

LEVER-CHANGE,PEDAL

13156-0668

$31.77

13236

LEVER-COMP,POSITION

13236-0818

$22.51

13242

LEVER-ASSY-CHANGE

13242-0158

$59.37

480

CIRCLIP-TYPE-C,14MM

480J1400

$5.00

92002

BOLT,6X20

92002-1237

$4.31

92026

SPACER,14X20X2.3

92026-0107

$5.33

92026A

SPACER,14X20X1.0

92026-1534

$4.31

92143

COLLAR

92143-1595

$9.51

92144

SPRING,GEAR POSITION

92144-1523

$8.79

92145

SPRING

92145-0414

$9.26

92145A

SPRING,RETURN

92145-0415

$11.82

92153

BOLT,6X20

92153-1505

$7.75

92161

DAMPER,CHANGE PEDAL

92161-2089

$5.65

92200

WASHER

92200-0265

$2.61