Partiron

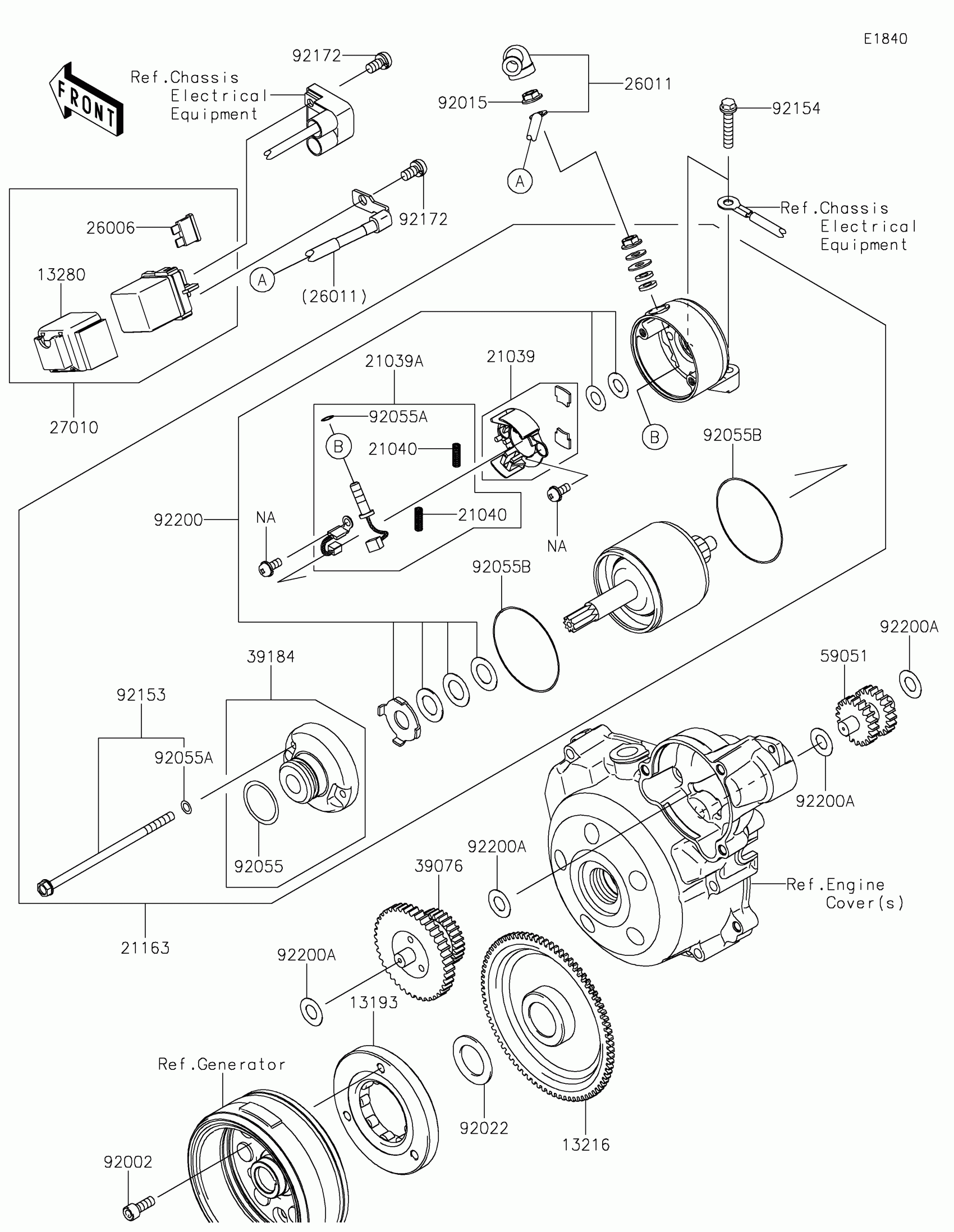
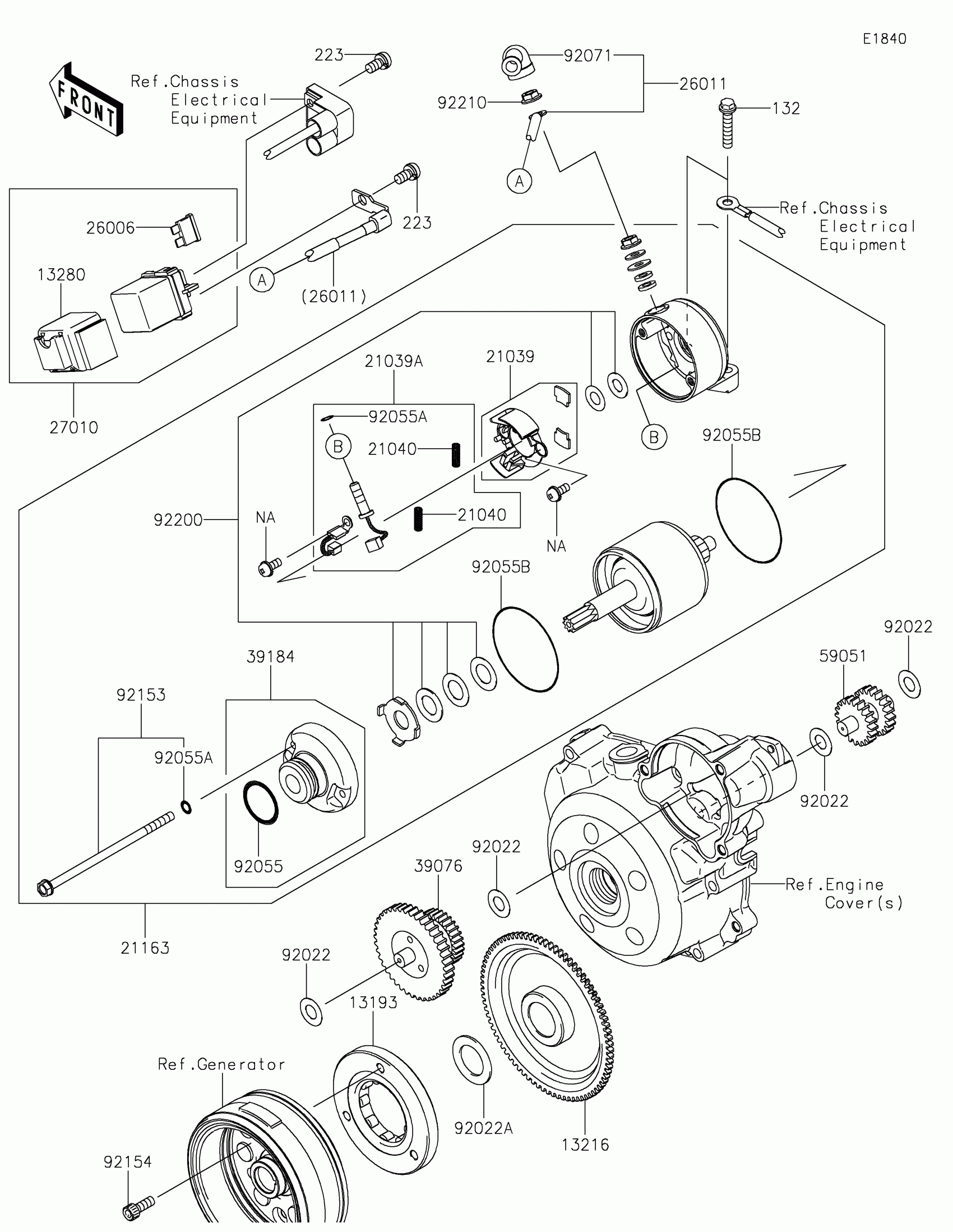
Kawasaki KLX®140R L Starter Motor Diagram

#

Description
Price

13193

CLUTCH-ASSY-ONEWAY

13193-0005

$120.63

132

BOLT-FLANGED-SMALL,6X30

132BD0630

$3.67

13216

GEAR-COMP,FREE WHEEL

13216-0040

$120.48

13280

HOLDER

13280-0818

$7.60

21039

BRUSH

21039-0007

$60.56

21039A

BRUSH

21039-0008

$25.00

21040

SPRING-BRUSH

21040-0004

$16.56

21163

STARTER-ELECTRIC

21163-0762

$331.73

223

SCREW-PAN-WS-CROS,5X10

223AA0510

$0.43

26006

FUSE,BLADE,10A,RED

26006-1007

$4.96

26011

WIRE-LEAD,STARTER

26011-0782

$22.38

27010

SWITCH,MAGNETIC

27010-0798

$61.13

39076

LIMITER,STARTER IDLE GEAR

39076-0020

$183.19

39184

BRACKET-ASSY

39184-0015

$36.54

59051

GEAR-SPUR,IDLE

59051-0785

$89.00

92022

WASHER,10.2X20X0.5

92022-1649

$4.31

92022A

WASHER,22.3X35X1.6

92022-212

$9.91

92055

RING-O

92055-1276

$9.91

92055A

RING-O,4.5X2.0

92055-1370

$4.69

92055B

RING-O

92055-1550

$9.91

92071

GROMMET

92071-0705

$6.89

92153

BOLT

92153-1914

$9.35

92154

BOLT,SOCKET,6X16

92154-0235

$2.95

92200

WASHER,SET

92200-0407

$3.90

92210

NUT,FLANGED,6MM

92210-1514

$3.98