Partiron

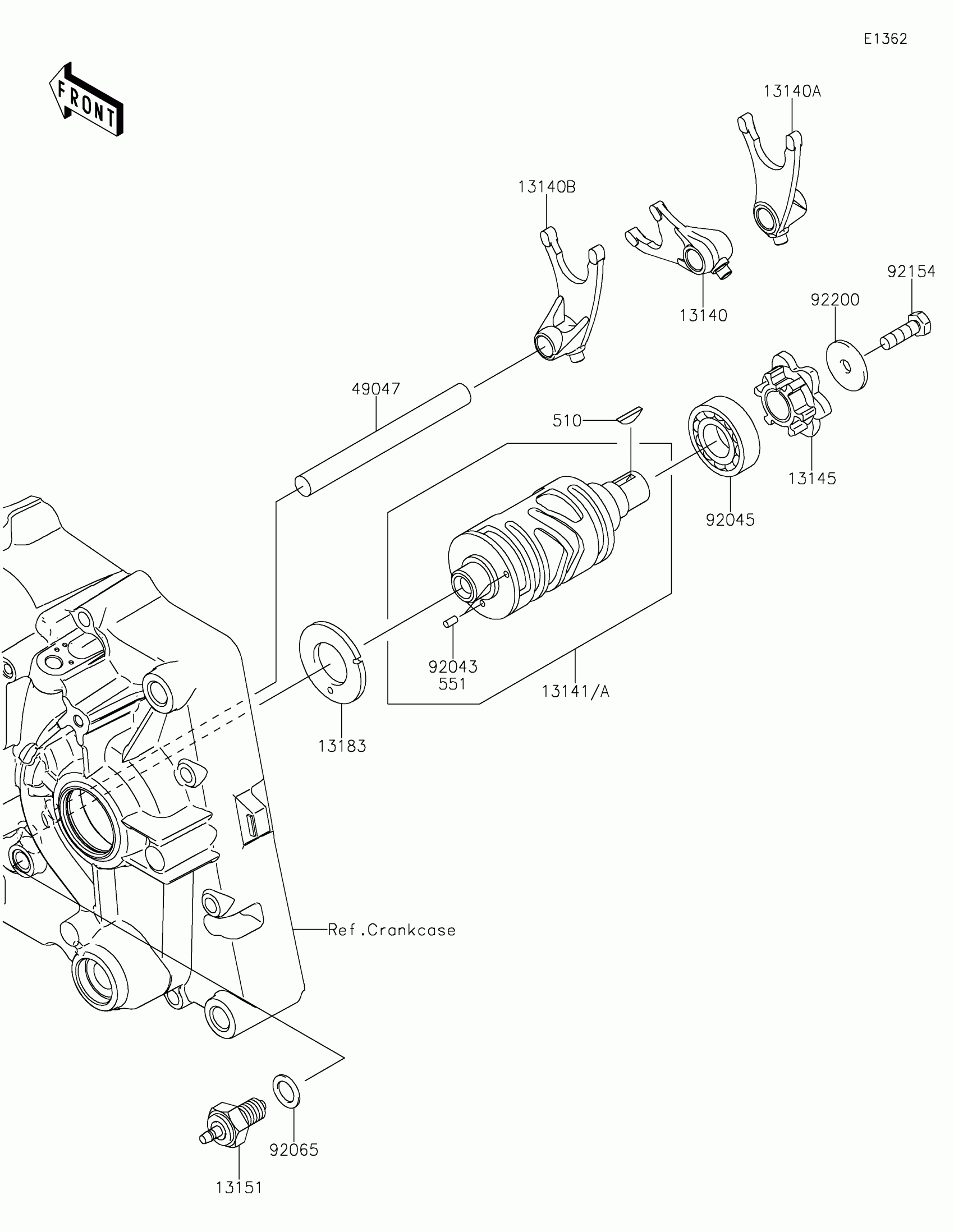
Kawasaki KLX®140R Gear Change Drum/Shift Fork(s) Diagram

#

Description
Price

11061

GASKET,10.5X16X1

11061-0373

$3.67

112

BOLT-UPSET,6X20

112CA0620

$4.78

13140

FORK-SHIFT,INPUT

13140-0051

$48.58

13140A

FORK-SHIFT,OUTPUT RH

13140-0052

$48.58

13140B

FORK-SHIFT,OUTPUT LH

13140-0053

$48.58

13141

DRUM-CHANGE

13141-0572

$79.54

13145

CAM-CHANGE DRUM

13145-1084

$44.08

13151

SWITCH-COMP,NEUTRAL

13151-1099

$3.96

13183

PLATE,CHANGE

13183-1066

$16.01

49047

ROD-SHIFT

49047-1094

$5.56

510

KEY-WOODRUFF

510A3200

$2.70

551

PIN-DOWEL,3X6

551A0306

$1.34

92022

WASHER,6.5X24X2

92022-1690

$3.92

92045

BEARING-BALL,17X35X10

92045-0126

$22.42