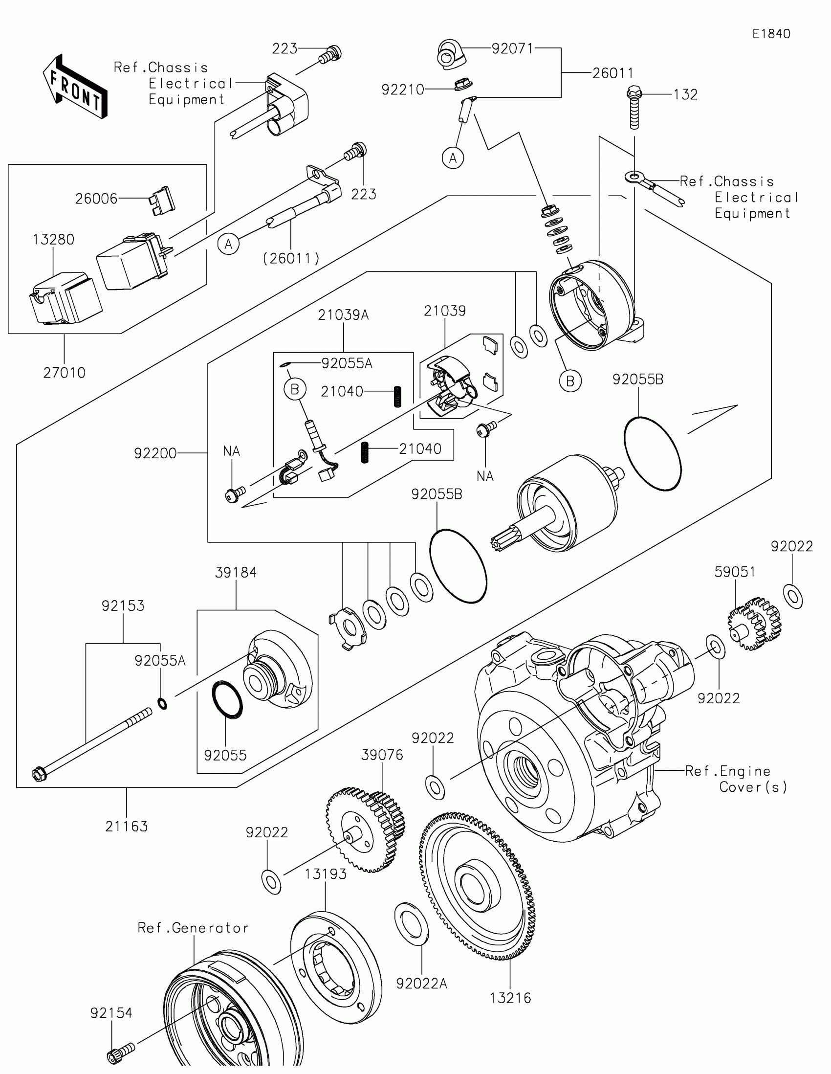
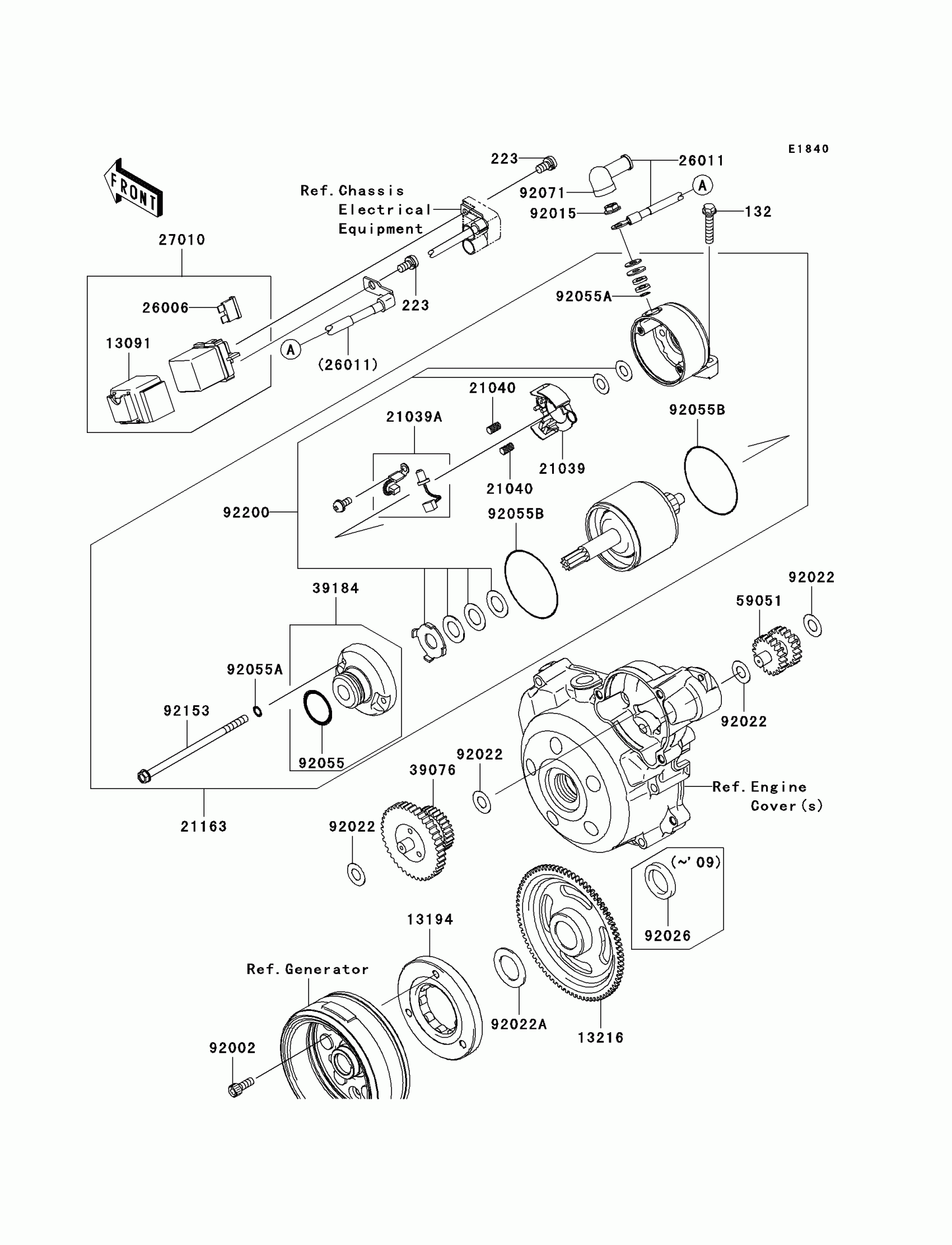
Kawasaki KLX®140 Starter Motor Diagram
#
Description
Price
13194
CLUTCH-ONEWAY
13194-0005
Unavailable
13216
GEAR-COMP,FREE WHEEL
13216-0035
Unavailable
21163
STARTER-ELECTRIC
21163-0043
Unavailable
26011
WIRE-LEAD
26011-0164
Unavailable
27010
SWITCH,MAGNETIC
27010-0086
Unavailable
92071
GROMMET
92071-0037
Unavailable
