Partiron

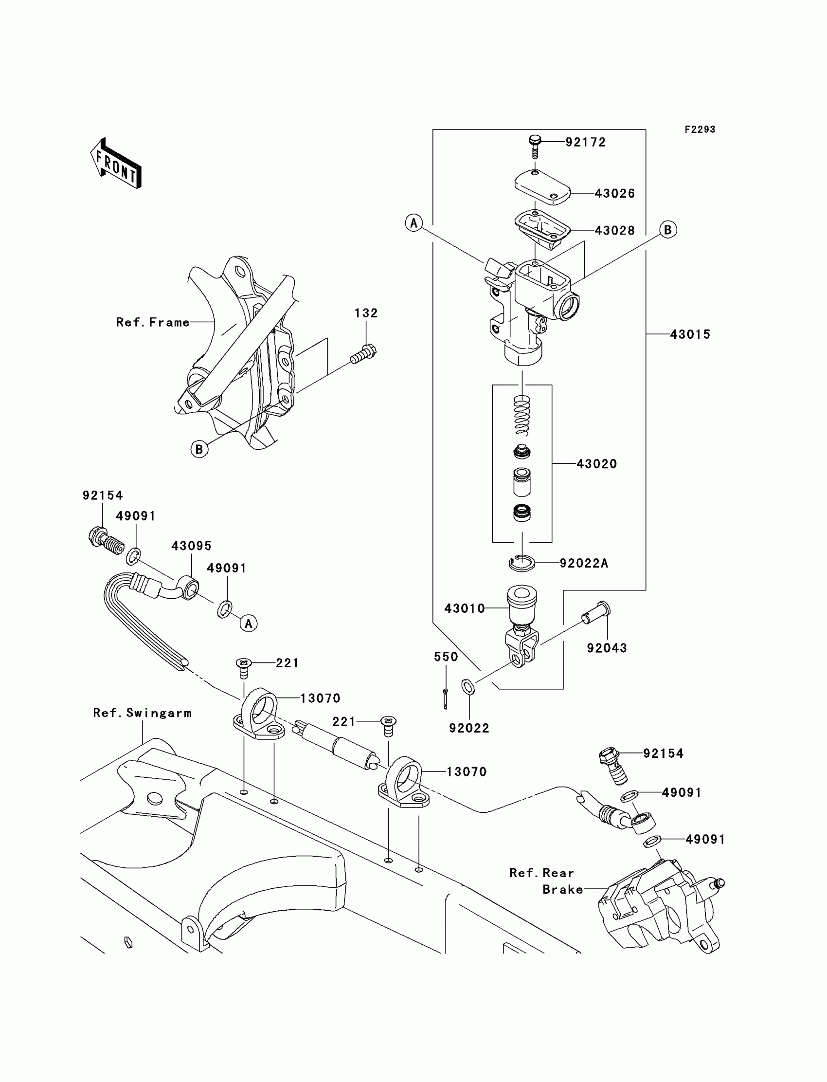
Kawasaki KLX®140 Rear Master Cylinder Diagram

#

Description
Price

132

BOLT-FLANGED-SMALL,6X16

132BA0616

$1.51

221

SCREW-CSK-CROS,6X10

221AA0610

$3.67

550

PIN-COTTER,2.0X15

550AA2015

$1.12

13070

GUIDE,HOSE

13070-1144

$8.03

43010

ROD-ASSY-BRAKE

43010-0006

$55.84

43015

CYLINDER-ASSY-MASTER,RR

43015-0099

$306.54

43020

PISTON-COMP-BRAKE

43020-1094

$65.22

43026

CAP-BRAKE

43026-0008

$15.72

43028

DIAPHRAGM

43028-1092

$20.74

43095

HOSE-BRAKE,RR

43095-0336

$67.14

49091

WASHER-SEAL,10.1X14.5X1.5

49091-0001

$2.15

92022

WASHER,8.5X13X1

92022-1028

$3.92

92022A

WASHER,CIRCRIP

92022-1601

Unavailable

92043

PIN

92043-0004

$11.16

92154

BOLT,OIL,L=23

92154-0226

$5.91

92172

SCREW

92172-0286

$2.61