Partiron

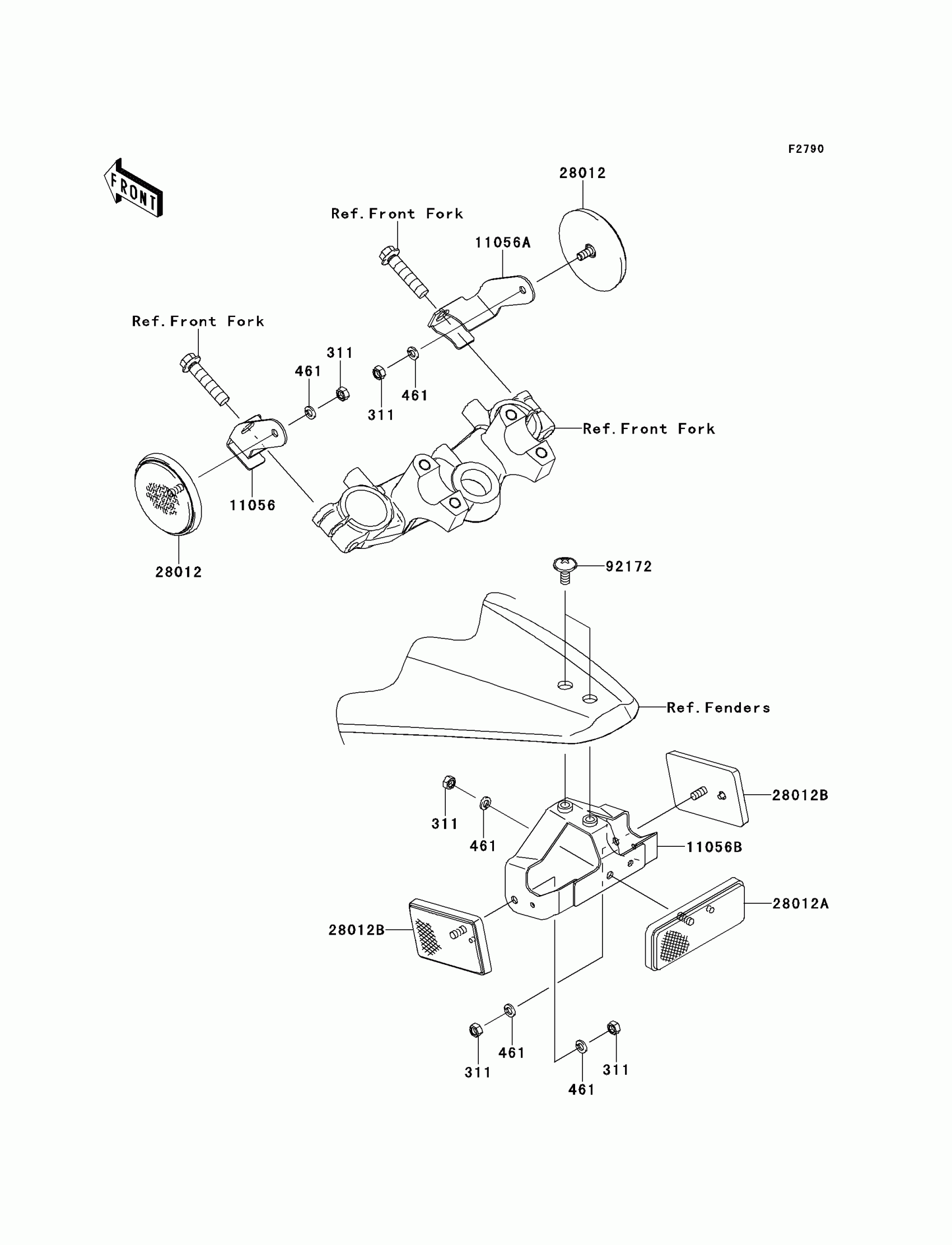
Kawasaki KLX®110L Reflectors(CN) Diagram

#

Description
Price

311

NUT-HEX,5MM

311BA0500

$4.31

461

WASHER-SPRING,5MM

461DA0500

$0.71

11056

BRACKET,REFLECTOR,FR,LH

11056-0028

Unavailable

11056A

BRACKET,REFLECTOR,FR,RH

11056-0029

Unavailable

11056B

BRACKET,REFLECTOR,RR

11056-0111

Unavailable

28012

REFLECTOR-REFLEX

28012-0008

$26.52

28012A

REFLECTOR-REFLEX

28012-1077

$23.25

28012B

REFLECTOR-REFLEX

28012-1088

$22.46

92172

SCREW,6X14

92172-0401

$2.55