Partiron

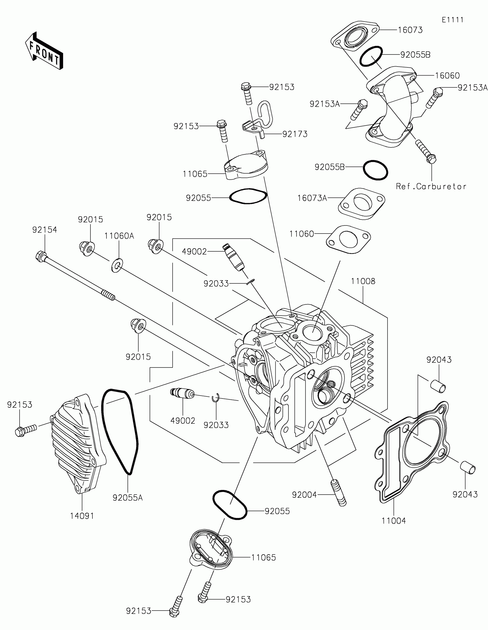
Kawasaki KLX®110L Cylinder Head Diagram

#

Description
Price

132

BOLT-FLANGED-SMALL,6X30

132BD0630

$3.67

11004

GASKET-HEAD

11004-1338

$11.99

11008

HEAD-COMP-CYLINDER

11008-0184

$401.39

11060

GASKET,INTAKE PIPE

11060-1753

$2.94

11060A

GASKET

11060-1862

$2.94

11065

CAP,VALVE ADJUSTING

11065-1177

$23.43

14091

COVER,CAMSHAFT

14091-1447

$7.51

16060

PIPE-INTAKE

16060-0021

$33.69

16073

INSULATOR,CARBURETOR

16073-1102

$7.33

16073A

INSULATOR,HEAD

16073-1108

$3.13

49002

GUIDE-VALVE

49002-1130

$24.63

92004

STUD,8X28.5

92004-1284

$6.02

92015

NUT,CAP,8MM

92015-1151

$5.00

92033

RING-SNAP

92033-1247

$3.91

92043

PIN,8.2X10X14

92043-0100

$3.71

92055

RING-O,ADJUST CAP

92055-1231

$10.65

92055A

RING-O,91X2.5

92055-1527

$12.21

92055B

RING-O,25.5X2.0

92055-1528

$8.05

92150

BOLT,6X106

92150-1761

$8.26

92153

BOLT,6X20

92153-1184

$4.12

92173

CLAMP

92173-0156

$4.25