Partiron

Kawasaki KLT250 IGNITION/GENERATOR/REGULATOR ('82 A1) Diagram

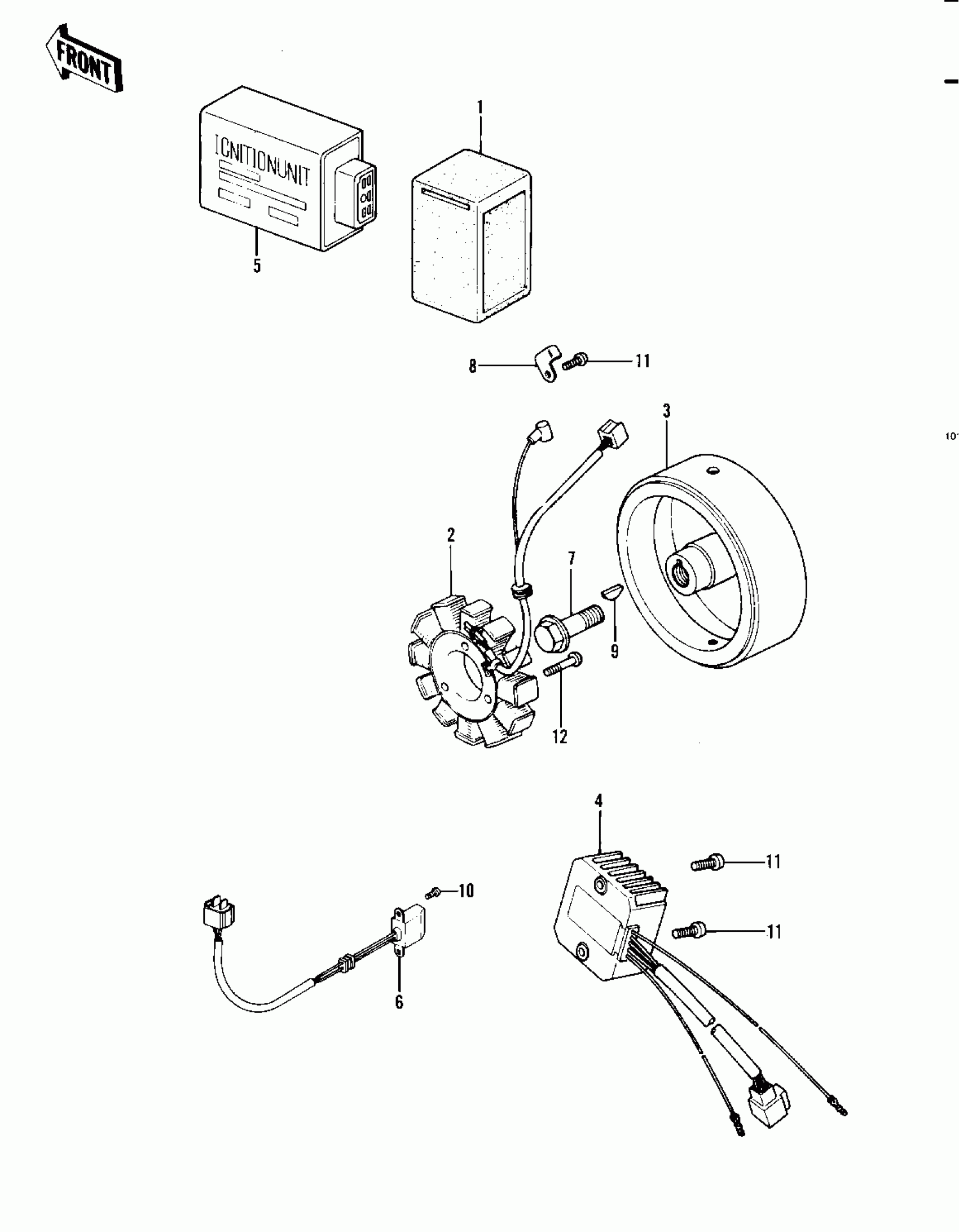
#

Description
Price

1

HOLDER

13091-1095

Unavailable

2

STATOR ASSY

21003-1002

Unavailable

3

ROTOR

21007-1032

$438.13

4

REGULATOR,VOLTAGE

21066-1014

Unavailable

5

IGNITER

21119-1193

$825.58

6

COIL-PULSING

59026-1013

Unavailable

7

BOLT,10X40

92001-1201

$10.65

8

CLAMP

92037-194

$4.05

9

KEY,WOODRUFF

92038-001

$4.96

10

SCREW PAN HEAD 5X8

220B0508

$0.46

11

SCREW-PAN-CROS,6X14

220B0614

$1.48

12

SCREW PAN HEAD 6X25

220B0625

$2.60