Partiron

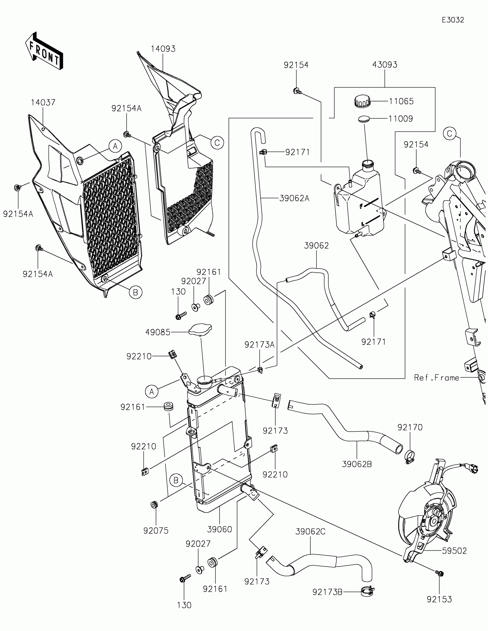
Kawasaki KLR650 S ABS Radiator Diagram

#

Description
Price

11009

GASKET,RESERVOIR TANK CAP

11009-1145

$1.42

11065

CAP

11065-0969

$2.02

14037

SCREEN,RADIATOR

14037-0821

$48.01

14093

COVER,RH

14093-1070

$32.12

39060

RADIATOR

39060-0744

$417.57

39062

HOSE-COOLING,RAD-RESERVOIR

39062-0922

$7.71

39062A

HOSE-COOLING,OVERFLOW

39062-0923

$14.18

39062B

HOSE-COOLING,HEAD-RADIATOR

39062-0924

$20.90

39062C

HOSE-COOLING,W/PUMP-RADIATOR

39062-0925

$18.59

43093

RESERVOIR-ASSY-TANK

43093-0010

$53.07

49085

CAP-ASSY-PRESSURE

49085-0006

$50.52

59502

FAN-ASSY

59502-0632

$474.62

92027

COLLAR,6.5X10X14.1

92027-1183

$5.52

92075

DAMPER

92075-1912

$5.77

92153

BOLT

92153-0531

$2.61

92154

BOLT,6X16

92154-0391

$1.94

92154A

BOLT,FLANGED,6X9

92154-0546

$3.74

92161

DAMPER

92161-1755

$4.69

92170

CLAMP,COOLING HOSE

92170-1033

$15.16

92171

CLAMP,10.5X8X0.7

92171-1992

$6.22

92173

CLAMP

92173-1567

$3.54

92173A

CLAMP

92173-2425

$1.36

92173B

CLAMP

92173-2459

$3.27

92210

NUT

92210-1323

$4.18

130

BOLT-FLANGED,6X25

130BA0625

$1.20