- Partiron
- OEM Parts
- Kawasaki
- motorcycle
- 2025
- KLR650 S ABS
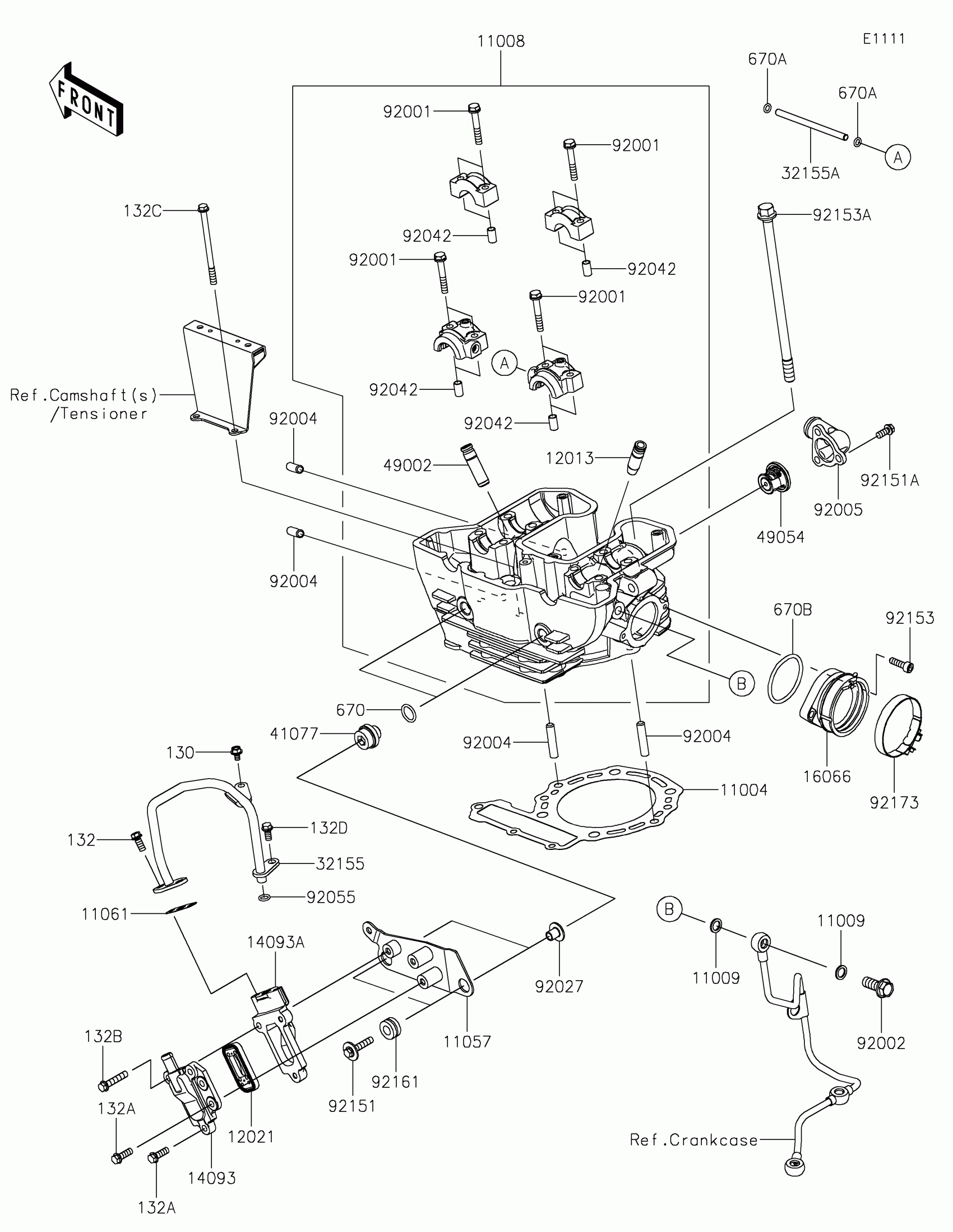
Cylinder Head
Kawasaki KLR650 S ABS Cylinder Head Diagram
#
Description
Price
49002
GUIDE-VALVE,EXHAUST
49002-1002
Unavailable
Cylinder Head
#
49002
49002-1002
Unavailable
Edit ride
