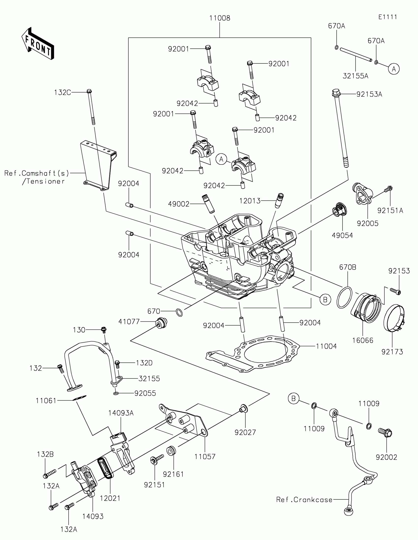
Kawasaki KLR650 Cylinder Head Diagram
#
Description
Price
11008
HEAD-COMP-CYLINDER
11008-1202
Unavailable
49002
GUIDE-VALVE,INTAKE
12013-009
Unavailable
49002A
GUIDE-VALVE,EXHAUST
49002-1002
Unavailable
