Partiron

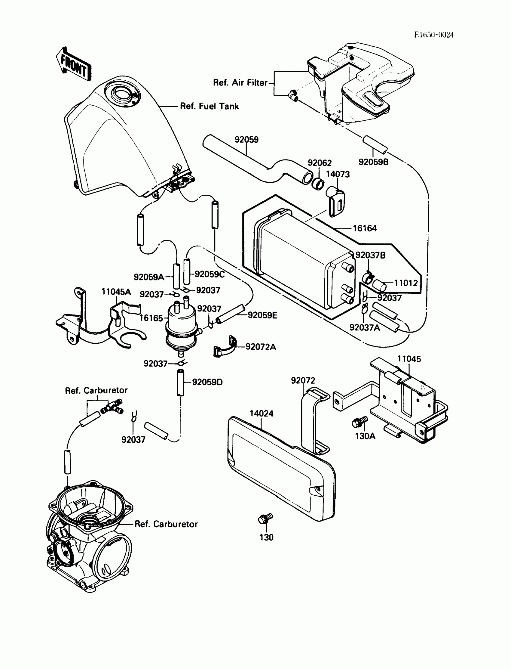
Kawasaki KLR650 Canister Diagram

#

Description
Price

11012

CAP,CANISTER

11012-1388

$8.51

11045

BRACKET,CANISTER

11045-1416

$47.36

11045A

BRACKET,SEPARATOR

11045-1417

$39.31

14024

COVER,CANISTER

14024-1401

$37.86

14073

DUCT,CANISTER

14073-1219

$20.80

16164

CANISTER

16164-1054

$130.07

16165

SEPARATOR

16165-1001

$90.01

92037

CLAMP,TUBE

92037-072

$7.22

92037A

CLAMP-HOSE

92037-1104

$1.45

92037B

CLAMP,CANISTER

92037-1512

$6.57

92059

TUBE,14X20X200

92059-1800

$20.30

92059A

TUBE,5X9X890,BLUE

92059-1801

$32.14

92059B

TUBE,7X12X770,GREEN

92059-1802

$34.26

92059C

TUBE,5X9X300,RED

92059-1803

$32.14

92059D

TUBE,4X9X310,WHITE

92059-1804

$19.09

92059E

TUBE,5X9X400,BLUE

92059-1805

$32.14

92062

NOZZLE,CANISTER

92062-1070

$10.62

92072

BAND,L=90

92072-045

$14.90

92072A

BAND,L=50

92072-066

$16.08

130

BOLT-FLANGED

130C0608

$3.42

130A

BOLT-FLANGED,6X12

130J0612

$2.19