Kawasaki KLR650 Air Filter Diagram
#
Description
Price
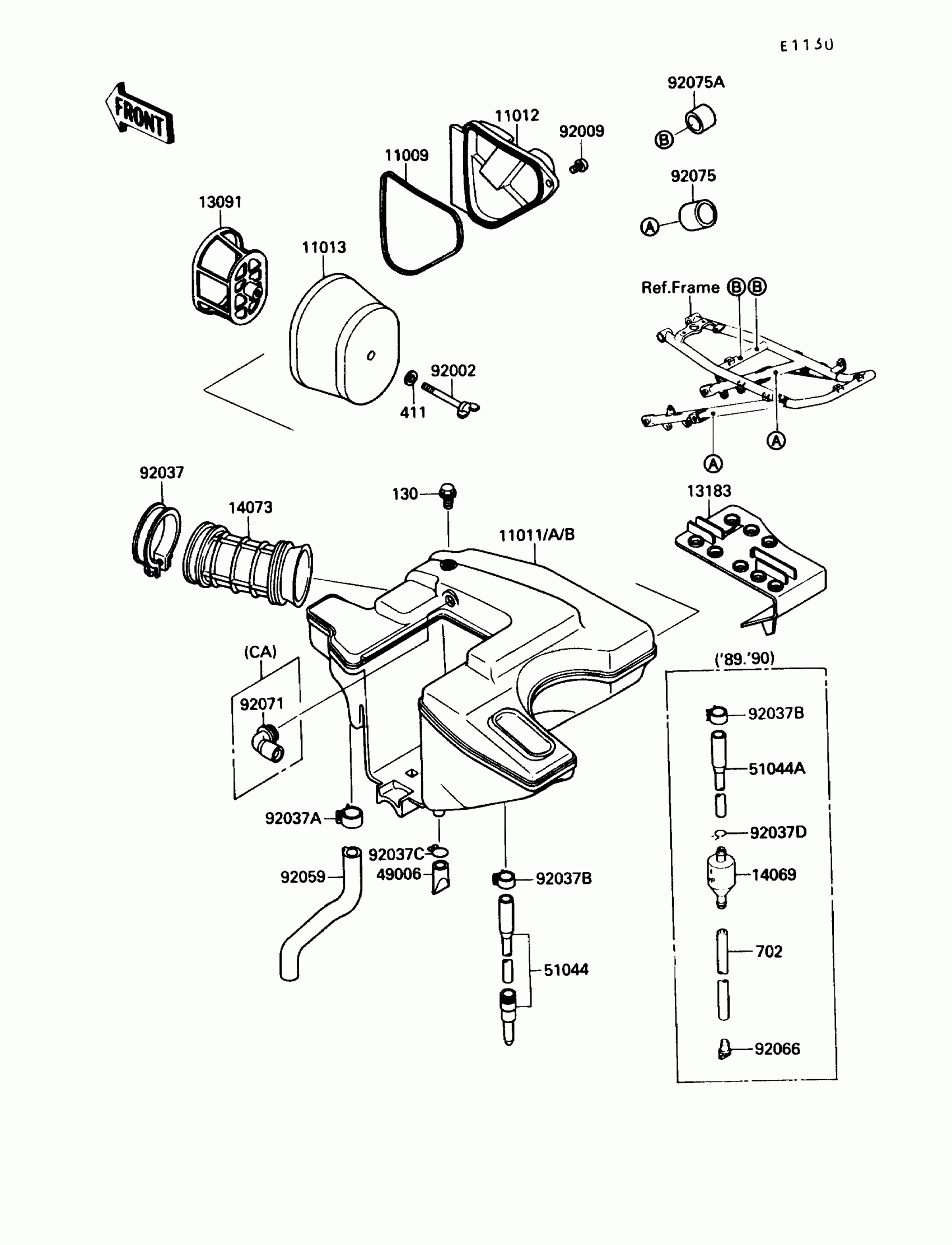
11011
CASE-AIR FILTER
11011-1300
Unavailable
11011A
CASE-AIR FILTER
11011-1301
Unavailable
11011B
CASE-AIR FILTER
11011-1302
Unavailable
11012
CAP,AIR FILTER
11012-1681
Unavailable
92037A
CLAMP
92037-1860
Unavailable
