- Partiron
- OEM Parts
- Kawasaki
- motorcycle
- 2025
- KLR650 Adventure ABS
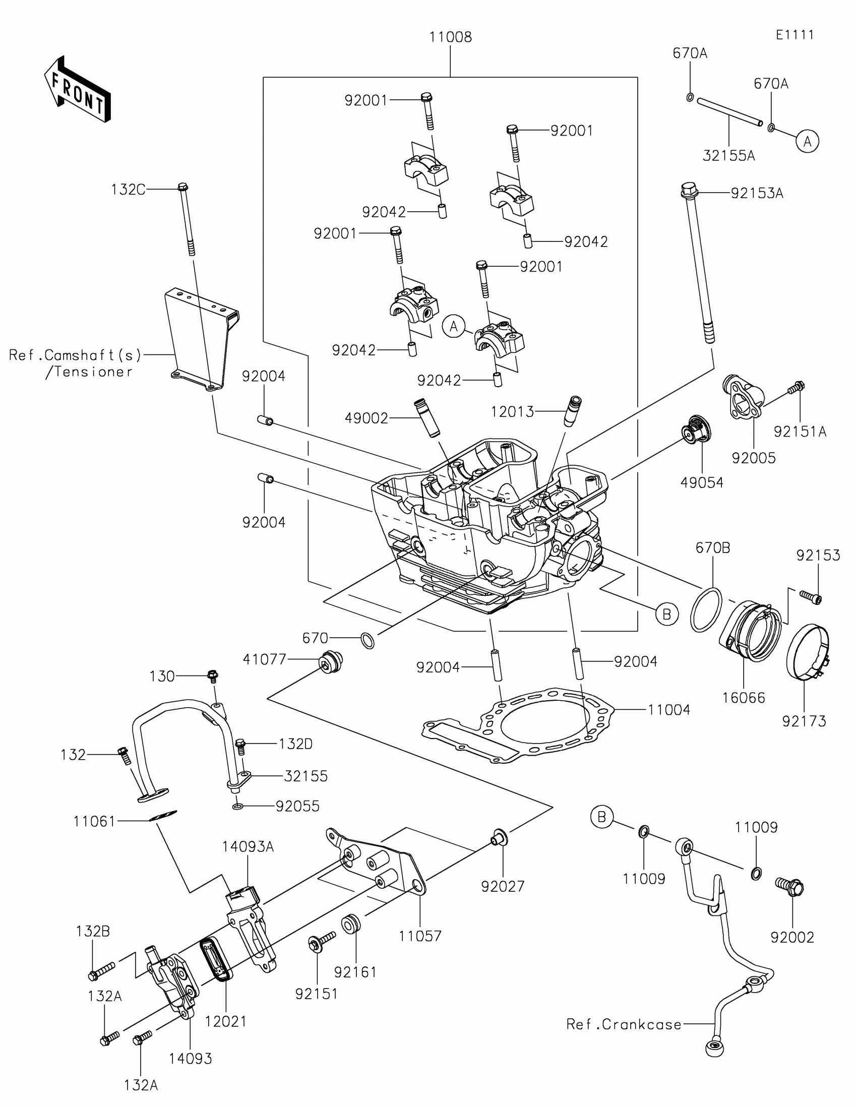
Cylinder Head
Kawasaki KLR650 Adventure ABS Cylinder Head Diagram
#
Description
Price
49002
GUIDE-VALVE,EXHAUST
49002-1002
Unavailable
