Partiron

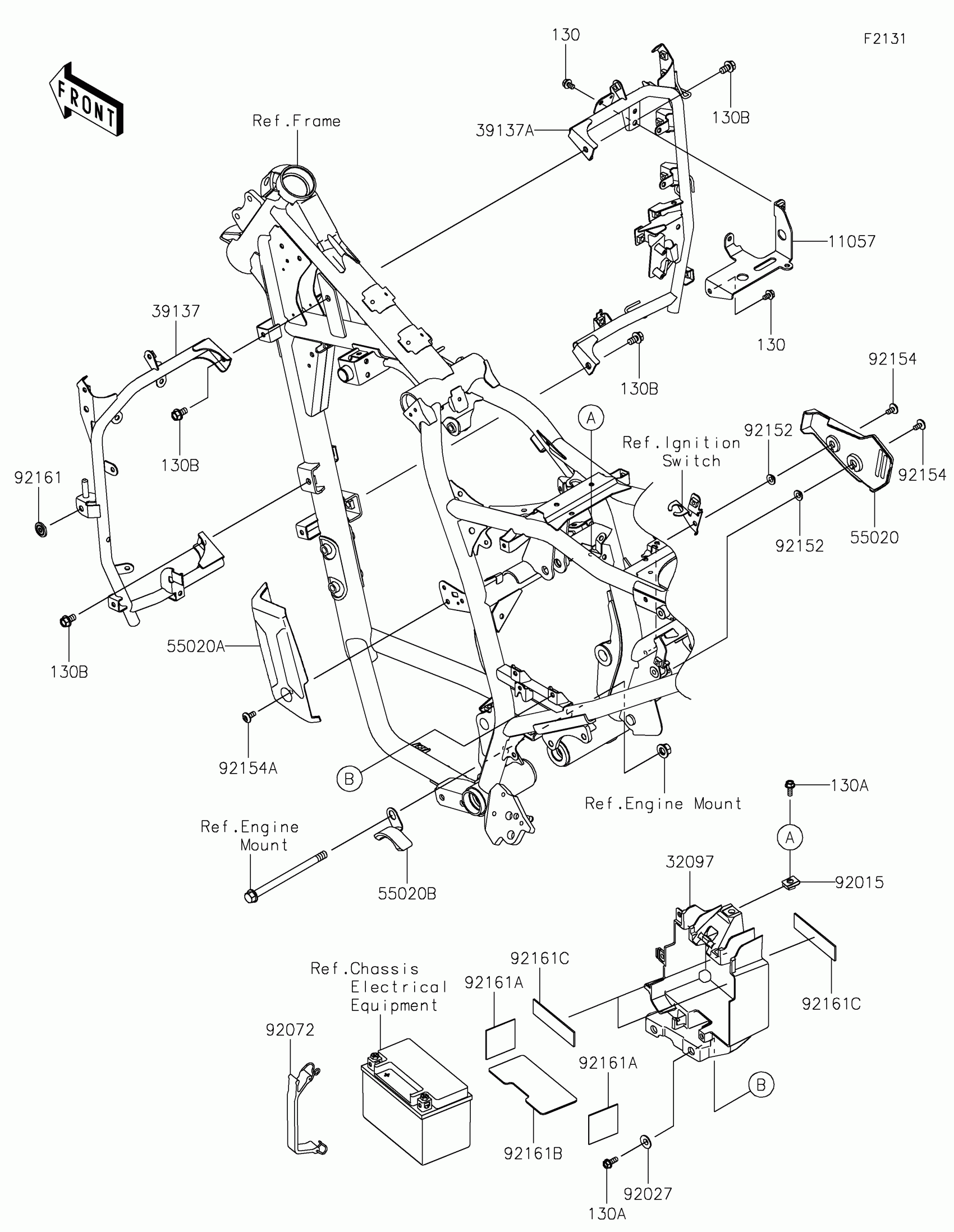
Kawasaki KLR®650 TRAVELER Frame Fittings Diagram

#

Description
Price

11057

BRACKET,ABS UNIT

11057-4389

$15.27

32097

CASE-BATTERY

32097-0565

$75.44

39137

STAY-COMP,LH

39137-0710

$91.94

39137A

STAY-COMP,RH

39137-0711

$137.53

55020

GUARD,HEEL

55020-2330

$7.22

55020A

GUARD

55020-2335

$32.60

55020B

GUARD,CHAIN

55020-2390

$39.83

92015

NUT,6MM

92015-1671

$7.61

92027

COLLAR

92027-1794

$4.31

92072

BAND,BATTERY

92072-0839

$6.03

92152

COLLAR,6.3X9.5X4.1

92152-1571

$6.00

92154

BOLT,SOCKET,6X12

92154-2706

$1.78

92154A

BOLT,SOCKET,6X14

92154-4285

$2.32

92161

DAMPER,8X22X10

92161-1685

$1.49

92161A

DAMPER,60X140X1

92161-1868

$14.37

92161B

DAMPER,BATTERY

92161-2353

$5.55

92161C

DAMPER,25X100X2

92161-2354

$3.86

130

BOLT-FLANGED,6X10

130BA0610

$1.49

130A

BOLT-FLANGED,6X16

130BA0616

$1.49

130B

BOLT-FLANGED,8X14

130BA0814

$2.16