Partiron

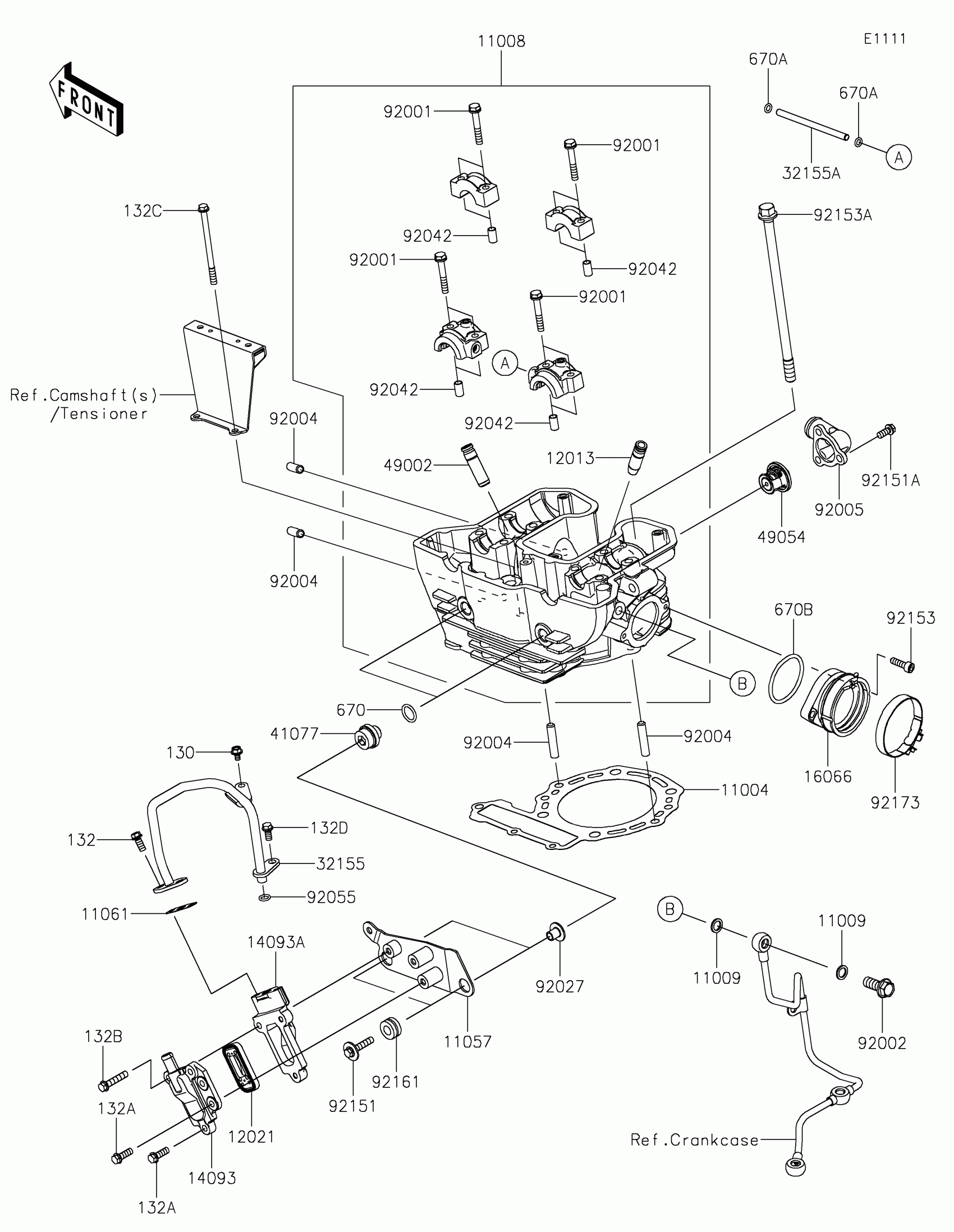
Kawasaki KLR®650 TRAVELER Cylinder Head Diagram

#

Description
Price

11004

GASKET-HEAD

11004-1158

$57.90

11008

HEAD-COMP-CYLINDER

11008-1451

$1,240.01

11009

GASKET,10X14.5X1.5

11009-1105

$6.51

11057

BRACKET,REED VALVE COVER

11057-7187

$25.18

11061

GASKET,REED VALVE COVER

11061-1396

$3.05

12013

GUIDE-VALVE,INTAKE

12013-009

$27.29

12021

VALVE-ASSY-REED

12021-0017

$74.86

14093

COVER,REED VALVE,FR

14093-1081

$41.26

14093A

COVER,REED VALVE,RR

14093-1123

$56.44

16066

HOLDER-THROTTLE BODY

16066-0023

$33.97

32155

PIPE,2ND AIR

32155-4382

$38.13

32155A

PIPE,OIL LINE

32155-4449

$4.32

41077

ADAPTER

41077-0751

$26.64

49002

GUIDE-VALVE,EXHAUST

49002-1002

$24.01

49054

THERMOSTAT

49054-1053

$54.56

92001

BOLT,FLANGED,6X38

92001-1105

$4.69

92002

BOLT,BANJO,10X25

92002-1170

$9.51

92004

STUD,8X22

92004-1217

$5.65

92005

FITTING

92005-0715

$24.93

92027

COLLAR,FLANGED,L=12.1,BLACK

92027-1651

$5.57

92042

PIN,DOWEL,6.3X8X14

92042-007

$5.70

92055

RING-O,10MM

92055-1149

$6.57

92151

BOLT,FLANGED,6X30

92151-1105

$4.39

92151A

BOLT,6X14

92151-1810

$2.38

92153

BOLT,SOCKET,6X20

92153-1364

$2.59

92153A

BOLT,FLANGED,10X191

92153-1797

$25.22

92161

DAMPER

92161-2424

$1.49

92173

CLAMP,62MM

92173-0922

$7.85

130

BOLT-FLANGED,5X8

130BD0508

$2.06

132

BOLT-FLANGED-SMALL,6X14

132BA0614

$1.49

132A

BOLT-FLANGED-SMALL,6X18

132BA0618

$3.67

132B

BOLT-FLANGED-SMALL,6X30

132BA0630

$2.65

132C

BOLT-FLANGED-SMALL,6X85

132BA0685

$3.26

132D

BOLT-FLANGED-SMALL,6X12

132BD0612

$2.06

670

O RING,15MM

670B2015

$1.49

670A

O RING,6MM

670D1506

$1.66

670B

O RING,48MM

670D3048

$7.34