- Partiron
- OEM Parts
- Kawasaki
- motorcycle
- 2023
- KLR®650 Traveler ABS
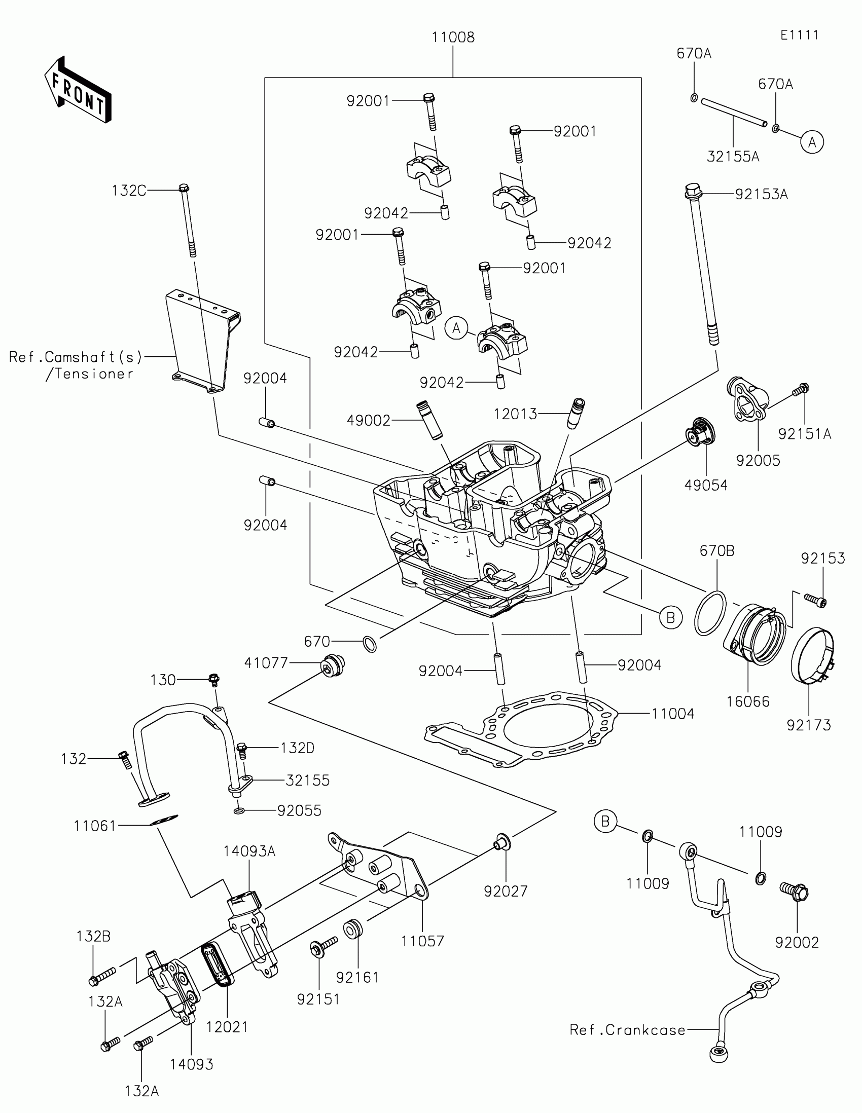
Cylinder Head
Kawasaki KLR®650 Traveler ABS Cylinder Head Diagram
#
Description
Price
49002
GUIDE-VALVE,EXHAUST
49002-1002
Unavailable
