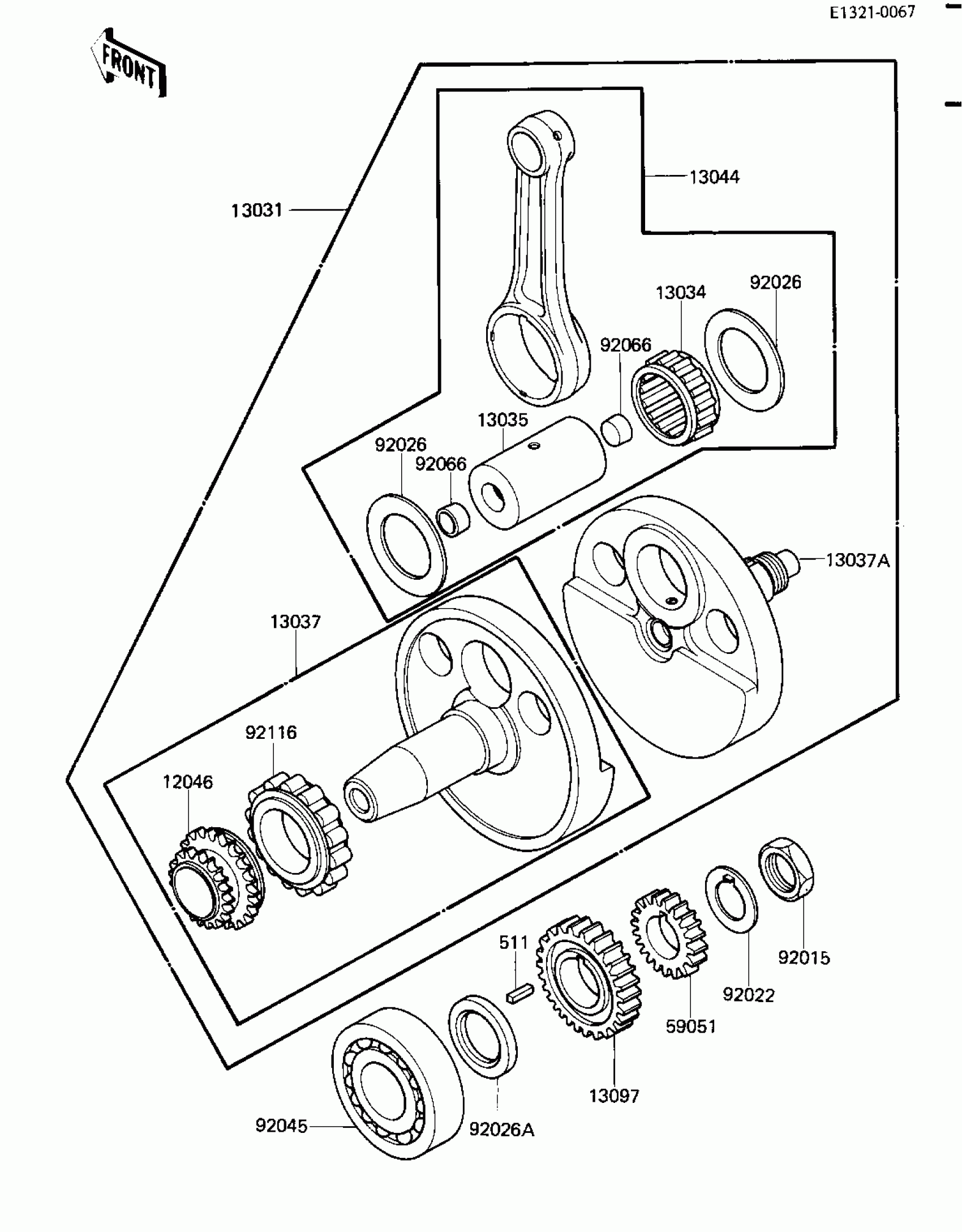
Kawasaki KL600 CRANKSHAFT Diagram
#
Description
Price
12046
SPROCKET,CAM&BALANCER
12046-1070
Unavailable
13031
CRANKSHAFT-COMP
13031-1175
Unavailable
13034
BEARING-BIG END,PK30X
13034-1056
Unavailable
13037
CRANKSHAFT,LH
13037-5036
Unavailable
13037A
CRANKSHAFT,RH
13037-5037
Unavailable
13044
SET-CONNECTING ROD
13044-5038
Unavailable
13097
GEAR-PRIMARY SPUR,28T
13097-1104
Unavailable
92022
WASHER,CLAW,22X40X1
92022-1490
Unavailable
92045
BEARING-BALL
92045-1128
Unavailable
